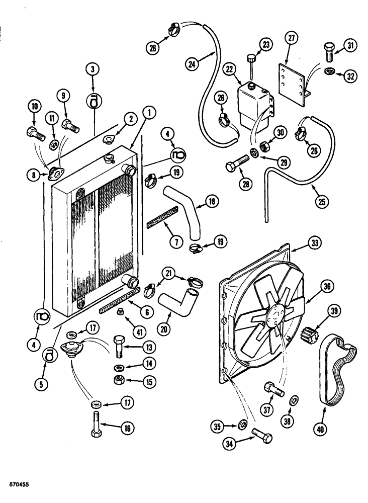
Запчасти Case 688 (2-02) - RADIATOR, OIL COOLER , HOSES AND COOLANT RECOVERY, P.I.N. FROM 74123 TO 74127 (02) - ENGINE

Схема запчастей Case 688 - (2-02) - RADIATOR, OIL COOLER , HOSES AND COOLANT RECOVERY, P.I.N. FROM 74123 TO 74127 (02) - ENGINE
39
10
6
4
1
33
19
18
17
16
4
40
19
38
8
9
11
26
22
27
2
32
28
7
29
20
30
25
23
36
15
26
34
24
41
37
35
26
3
31
13
17
21
5
14
FIT
1:1
100%

Артикул

Название

Примечание

Количество

1

P3743202

RADIATOR

- engine and hydraulic oil cooling, Includes: Ref. 2

1шт.

2

A170241

RADIATOR CAP

CAP, RADIATOR, Filler, 15 psi

1шт.

3

REF

INSTRUCTION

SEAL - radiator, at upper, 13-3/8" long, cut from P1303178 (Note A)

1шт.

4

REF

INSTRUCTION

SEAL - radiator, at sides, 24-1/4" long, cut from P1303178 (Note A)

2шт.

5

REF

INSTRUCTION

SEAL - radiator, at bottom, 22-5/16" long, cut from P1303178 (Note A)

1шт.

6

REF

INSTRUCTION

SEAL - flat, radiator bottom, 21-5/8" long, cut from P403144 (Note A)

1шт.

7

REF

INSTRUCTION

SEAL - flat, radiator top, 12-1/4" long, cut from P403144 (Note A)

1шт.

8

P3841459

ELEC. TERMINAL PIN

MOUNT - rubber, upper radiator

2шт.

9

P133857

SCREW

BOLT - hex head, 6 mm x 12 mm

4шт.

10

120100

BOLT,M6 x 20mm, Cl 8.8

2шт.

11

P3528799

WASHER

SPACER - bolt, 4 mm thick

2шт.

12

P2241484

SUPPORT

MOUNT - rubber, lower radiator

2шт.

13

P733029

SCREW

BOLT - hex head, 8 mm x 30 mm

6шт.

14

P3528794

WASHER

SPACER - bolt, 6 mm thick

6шт.

15

P134596

SAFETY NUT

NUT - hex, self-locking, 8mm

6шт.

16

P33833

SCREW

BOLT - hex head, 10 mm x 75 mm

2шт.

17

P3528795

WASHER

SPACER - bolt, 7 mm thick

6шт.

18

P5931988

LARGE HOSE

HOSE - radiator, upper

1шт.

19

P36935

COLLAR CLAMP

CLAMP - hose, upper radiator

2шт.

20

P5931989

LARGE HOSE

HOSE - radiator, lower

1шт.

21

P136902

COLLAR CLAMP

CLAMP - hose, lower radiator

2шт.

22

A172993

RESERVOIR

BOTTLE - coolant recovery

1шт.

A172993 is replaced by A184395 if level marks are removed

1шт.

23

A184079

CAP

- recovery bottle (Replaces A171929)

1шт.

24

REF

INSTRUCTION

HOSE - radiator overflow, 51-1/4" long, cut from P1103638

1шт.

25

REF

INSTRUCTION

HOSE - recovery bottle overflow, 34-7/8" long, cut from P1103638

1шт.

26

P36951

COLLAR

CLAMP - overflow hose

3шт.

27

P3326311

SUPPORT

BRACKET - mounting, recovery bottle

1шт.

28

120100

BOLT,M6 x 20mm, Cl 8.8

4шт.

29

P35001

WASHER

- flat, 6mm

4шт.

30

P234513

SAFETY NUT

NUT - hex self-locking, 6mm

4шт.

31

11106231

BOLT,Hex, M10 x 1.5 x 25mm, Cl 10.9

BOLT, Hex, M10 x 25, 10.9, Full Thd

2шт.

32

P3528795

WASHER

SPACER - bolt, 7mm thick

4шт.

33

P4540345

ORIFICE RING

SHROUD - fan

1шт.

34

43127

BOLT,Hex, M8 x 1.25 x 25mm, Cl 8.8

BOLT, Hex, M8 x 25, 8.8

8шт.

35

P3528794

WASHER

SPACER - bolt, 6 mm thick

8шт.

36

A173559

FAN

- engine cooling, Serial Range: 74123-74269

1шт.

36

A173559

FAN

- engine cooling, Serial Range: 74271-74275

1шт.

37

P33832

SCREW

BOLT - hex head, 10 mm x 110 mm

4шт.

38

P34611

WASHER

- flat, 10 mm

4шт.

39

A173333

SPACER

- fan blade

1шт.

40

J911557

V-BELT,27.92mm W x 1422.4mm L, 8 Ribs

Radiator Fan, Replaces J903091 3.56 mm W x 1422.40 mm L, 8 Ribs

1шт.

41

P1137424

PLUG

- 1/4" NPT, radiator

1шт.

P1054950

SET OF PARTS

KIT bypass, hydraulic oil cooler, allows oil to warm more rapidly in cold weather

1шт.

Выбрано товаров: 44