Запчасти Case 688 (9-040) - SEAT, IF USED (09) - CHASSIS

Схема запчастей Case 688 - (9-040) - SEAT, IF USED (09) - CHASSIS
12
17
30
29
1
1
1
8
28
11
2
29
6
23
9
4
1
16
22
26
3
20
15
1
33
27
25
1
21
21
1
5
26
27
31
18
1
32
13
7
10
22
14
1
19
25
24
FIT
1:1
100%

Артикул

Название

Примечание

Количество

P2047037

SEAT

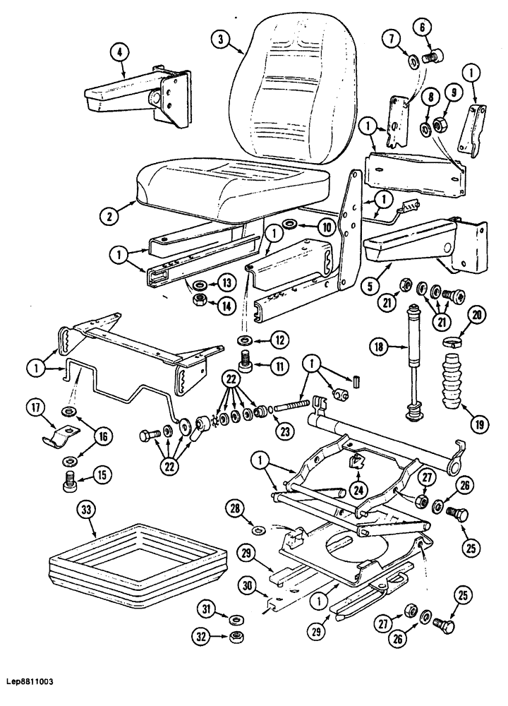
ASSEMBLY - operator's (Order P2047055) (See Figure 9-42), Includes: Ref. 1 -33

1шт.

1

NSS

NOT SOLD SEPARAT

FRAME ASSEMBLY - seat

1шт.

2

P1347059

CUSHION

- seat bottom

1шт.

3

P1347058

BACKREST

CUSHION - seat back

1шт.

4

P2047040

ARMREST

ASSEMBLY - seat, right-hand

1шт.

5

P2047039

ARMREST

ASSEMBLY - seat, left-hand

1шт.

6

P1232917

SCREW

BOLT - seat back

4шт.

7

P34609

WASHER

- seat bolt

4шт.

8

P34609

WASHER

-stud

4шт.

9

P1334581

NUT

- stud

4шт.

10

P35001

WASHER

- base

4шт.

11

P1232916

SCREW

BOLT -, Serial Range: frame-cushion

4шт.

12

P35001

WASHER

- cushion mounting bolt

4шт.

13

P34609

WASHER

- seat frame stud

4шт.

14

P34201

NUT

- seat frame stud

4шт.

15

P1232916

SCREW

BOLT - clamp

2шт.

16

P35001

WASHER

- clamp bolt

4шт.

17

P2726674

SUPPORT

CLAMP - rod

2шт.

18

P1343227

SHOCK ABSORBER

SHOCK ASSEMBLY - seat

1шт.

19

P1340448

BELLOWS

BOOT - shock absorber

1шт.

20

P36998

COLLAR CLAMP

CLAMP - boot

1шт.

21

P1047064

BOLT

KIT - shock absorber hardware

1шт.

22

P1047062

PAWL

ASSEMBLY - seat

1шт.

23

P336318

RING, SNAP

RING - retaining

1шт.

24

P641436

STOP

- seat

2шт.

25

P1533038

SCREW

BOLT - special

4шт.

26

P35004

WASHER

- special bolt

4шт.

27

P34598

SAFETY NUT

NUT - hex, self-locking, 10 mm

4шт.

28

P34609

WASHER

- lower plate

4шт.

29

P1047063

SET

TRACK SET - right-hand and left-hand

1шт.

30

P348301

BLOCK

RAIL - lower

2шт.

31

P35002

WASHER

- track stud

4шт.

32

P134596

SAFETY NUT

NUT - track stud

4шт.

33

P2340465

BELLOWS

COVER - suspension mechanism

1шт.

Выбрано товаров: 0