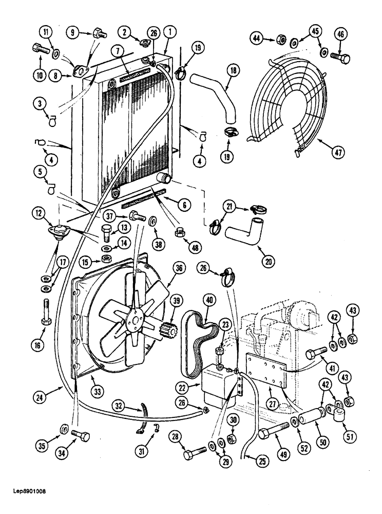
Запчасти Case 688 (2-06) - RADIATOR, OIL COOLER, HOSES AND COOLANT RECOVERY, P.I.N. FROM 74128 TO 74485, 11501 AND AFTER (02) - ENGINE

Схема запчастей Case 688 - (2-06) - RADIATOR, OIL COOLER, HOSES AND COOLANT RECOVERY, P.I.N. FROM 74128 TO 74485, 11501 AND AFTER (02) - ENGINE
17
30
5
33
46
14
4
48
47
35
31
3
42
18
12
52
25
1
2
18
19
38
8
43
4
27
40
37
22
6
41
23
51
43
16
42
26
26
7
15
28
36
29
50
26
32
24
49
34
21
45
11
10
20
11
13
39
1
FIT
1:1
100%

Артикул

Название

Примечание

Количество

40

J903091

V-BELT,3.56 mm W x 1422.40 mm L, 8 Ribs

Radiator Fan 3.56 mm W x 1422.40 mm L, 8 Ribs

1шт.

41

P933818

SCREW

BOLT - hex, 10 mm x 40 mm

1шт.

42

P3528795

WASHER

SPACER - bolt, 7 mm thick

4шт.

43

P34598

SAFETY NUT

NUT - hex self-locking, 10 mm

2шт.

44

P134596

SAFETY NUT

NUT - hex, self-locking, 8 mm

4шт.

45

P3528794

WASHER

SPACER - bolt, 6 mm thick

8шт.

46

P233830

SCREW

BOLT - hex, 8 mm x 40 mm

4шт.

47

P2340490

PROTECTOR

GUARD - fan

1шт.

48

P1137424

PLUG

- 1/4" NPT, radiator

1шт.

49

P33832

SCREW

BOLT - hex, 10 mm x 110 mm

1шт.

50

P1231875

TUBE

- spacer

1шт.

51

P51921

CLAMP

- hose, large

1шт.

52

P4328796

WASHER

SPACER - bolt, 7 mm thick

1шт.

P1237245

FITTING

bleeder, adopt, to speedup filling and bleeding of the cooling system

1шт.

P3036994

CLAMP

hose

1шт.

P51946

CLAMP

universal

2шт.

FOOTNOTE

1шт.

D refers to Case/Cat controls

1шт.

Выбрано товаров: 18