Запчасти Case 688 (9-054) - CAB, CAB FRAME AND RELATED PARTS, P.I.N. FROM 74123, 74485 (09) - CHASSIS

Схема запчастей Case 688 - (9-054) - CAB, CAB FRAME AND RELATED PARTS, P.I.N. FROM 74123, 74485 (09) - CHASSIS
5
34
2
12
33
24
19
18
1
17
20
13
35
11
21
14
16
25
7
15
26
22
31
8
29
32
3
6
22
10
9
4
23
28
2
27
16
30
13
FIT
1:1
100%

Артикул

Название

Примечание

Количество

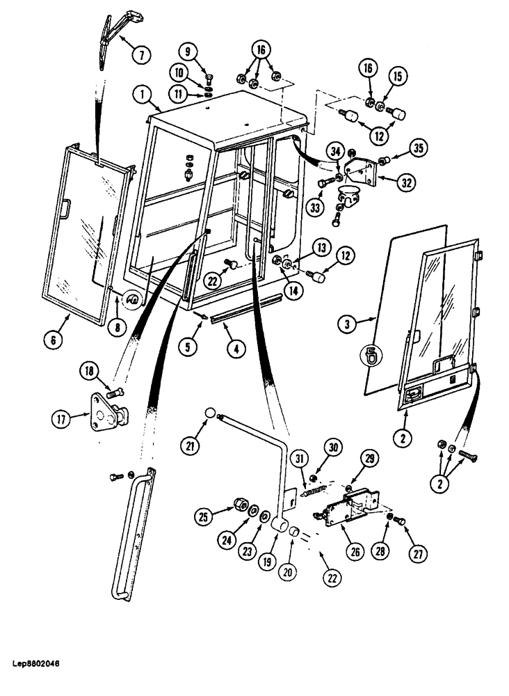
P7543897

CAB

ASSEMBLY - excavator (order P8443828) (See Figure 9-58), Includes: Ref. 1 - 35

1шт.

1

NSS

NOT SOLD SEPARAT

CAB - excavator

1шт.

2

REF

INSTRUCTION

DOOR ASSEMBLY - cab, see Figure 9-68 for parts list and mounting hardware

1шт.

3

P7146043

DOOR SEAL

SEAL -, Serial Range: door-cab

1шт.

4

P4048317

CONNECTING STRIP

COVER - door sill

1шт.

5

P35413

RIVET

POP RIVET - door sill cover

6шт.

6

REF

INSTRUCTION

WINDSHIELD ASSEMBLY - cab, parts list Figure 9-72 or 9-74

1шт.

7

NSS

NOT SOLD SEPARAT

WIPER ASSEMBLY - windshield, parts list Figure 4-24

1шт.

8

REF

INSTRUCTION

SEAL - windshield to cab, 70-7/8 inch long, cut from P1303155

1шт.

9

P33869

BOLT,Hex, M14 x 30

At cab top Hex, M14 x 30

2шт.

10

P35044

WASHER

- lock, 14 mm

2шт.

11

P945237

WASHER

- flat, 14 mm

2шт.

12

P3841416

STOP

- door, rubber, upper and lower

2шт.

13

P3528794

WASHER

SPACER - stop, 6 mm thick

1шт.

14

P134596

SAFETY NUT

NUT - hex, self-locking, 6 mm

1шт.

15

P35002

WASHER

- flat, 8 mm, used with "B" type mounting

1шт.

16

P34211

NUT

- hex, 8 mm

4шт.

17

P852054

CATCH PLATE

STRIKER - door latch

1шт.

18

P32412

SCREW

- striker to cab, use T3559 adhesive to prevent loosening

2шт.

P4842763

CONTROL LEVER

HANDLE ASSEMBY - door latch

1шт.

19

NSS

NOT SOLD SEPARAT

HANDLE - door latch

1шт.

20

P28780

SELF LUB RING

BUSHING - door handle

1шт.

21

P29938

BALL KNOB

KNOB - handle

1шт.

22

P1827953

PIN

- shoulder, handle mounting

1шт.

23

P34906

RUBBER WASHER

WASHER - spring type

1шт.

24

P34614

WASHER

- flat, 14 mm

1шт.

25

P134549

SAFETY NUT

NUT - hex, self-locking, 14 mm

1шт.

26

P852086

LOCK ASSY

LATCH - door open

1шт.

27

P32621

SCREW

BOLT-, Serial Range: latch-door

5шт.

28

P34607

WASHER

- flat, 6 mm

5шт.

29

P3528799

WASHER

SPACER - latch bolt, 4 mm thick

1шт.

30

15896221

NUT,Hex, M6, 5.20mm High, Cl 10

5шт.

31

P38002

COIL SPRING

SPRING - handle return

1шт.

32

P2928219

SUPPORT

BRACKET - mounting, coat hook

1шт.

33

86977786

BOLT,Hex, M6 x 1 x 25mm, Cl 8.8

Hex, M6 x 25, 8.8, Full Thd - Bracket to cab

2шт.

34

P34607

WASHER

- lock

2шт.

35

P834513

NUT

RETAINER - bolt, sleeve type, Serial Range: bracket-cab

2шт.

Выбрано товаров: 37