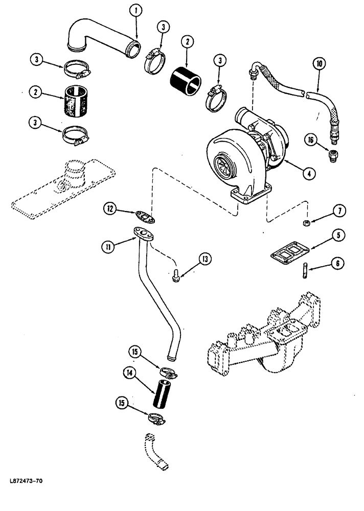
Запчасти Case 688 (2-46) - TURBOCHARGER SYSTEM, 4T-390 ENGINE (02) - ENGINE

Схема запчастей Case 688 - (2-46) - TURBOCHARGER SYSTEM, 4T-390 ENGINE (02) - ENGINE
4
3
10
11
5
2
12
6
2
13
15
3
1
3
3
7
14
16
15
FIT
1:1
100%

Артикул

Название

Примечание

Количество

1

J906624

TUBE,2 mm OD x 265.1 mm L

- air intake

1шт.

2

J916166

INTAKE AIR HOSE

HOSE - crossover, hose (Replaces J901804)

2шт.

3

214-258

HOSE CLAMP,#28, 1.31" - 2.25", Type F Worm

4шт.

4

REF

INSTRUCTION

TURBOCHARGER ASSEMLY - (See Fig. 2-48)

1шт.

5

J901356

GASKET,0.5mm Thk

-, Serial Range: turbocharger-manifold

1шт.

6

J905417

STUD

- turbocharger mounting

4шт.

7

J901961

NUT

- hex, stud

4шт.

10

J909545

HOSE

Turbocharger Oil Supply

1шт.

11

J903741

TUBE

- turbocharger oil drain

1шт.

12

J914388

GASKET

- drain tube

1шт.

13

845-8020

BOLT,Hvy Hex, M8 x 20mm, Cl 8.8

- hex flange, M8 x 1.25 x 20 mm

2шт.

14

J903745

LARGE HOSE

HOSE - turbocharger oil drain

1шт.

15

214-255

HOSE CLAMP,#16, 0.81" - 1.5", Type F Worm

2шт.

16

A77457

FITTING

CONNECTOR - supply hose

1шт.

Выбрано товаров: 14