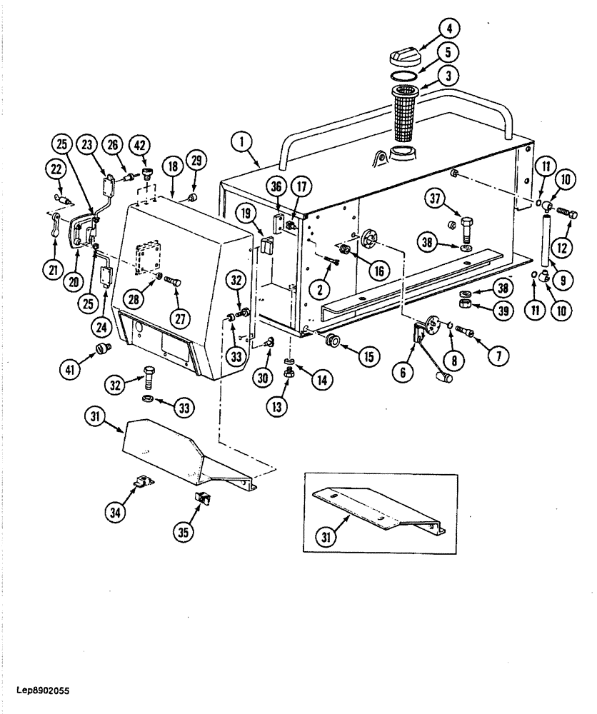
Запчасти Case 688 (3-06) - FUEL TANK AND STORAGE COMPARTMENT, P.I.N. FROM 74316 TO 74485, 11501 AND AFTER (03) - FUEL SYSTEM

Схема запчастей Case 688 - (3-06) - FUEL TANK AND STORAGE COMPARTMENT, P.I.N. FROM 74316 TO 74485, 11501 AND AFTER (03) - FUEL SYSTEM
22
14
16
19
10
15
8
29
32
30
35
24
25
21
42
13
25
11
10
36
31
17
18
12
34
4
6
1
28
11
5
20
38
27
33
33
37
2
41
23
39
32
7
26
9
38
3
31
FIT
1:1
100%

Артикул

Название

Примечание

Количество

1

P1540256

FUEL TANK

ASSEMBLY - diesel engine

1шт.

2

P32465

SCREW

- hex socket head, 10 mm x 25 mm

4шт.

3

P50537

FILTER BOWL

STRAINER - fuel

1шт.

4

P3337451

FILLER CAP

CAP - filler, fuel tank (Replaces P3237496), Includes: Ref. 5

1шт.

P1352009

KEY

- set of two keys, not shown

1шт.

5

P8846020

SEAL

- filler cap

1шт.

6

P1241865

GAUGE

SENDING UNIT - electrical, fuel gauge

1шт.

P8846063

SEAL

- sending unit

1шт.

7

P32530

SCREW

- slotted head, 4 mm x 10 mm

6шт.

8

P34703

WASHER

- lock, 4 mm

6шт.

9

REF

INSTRUCTION

HOSE - sight gauge, fuel level, 9-3/4 " long, cut form P3683

1шт.

10

P1337053

FITTING

CONNECTOR - special, hose end

2шт.

11

P5346094

SEAL

-, Serial Range: connector-tank

2шт.

12

P730090

BANJO BOLT

BOLT - special, hose connector

2шт.

13

P37495

PLUG

- tank drain

1шт.

14

P146001

WASHER, SEALING

SEAL - plug

1шт.

15

P141485

GROMMET

- harness, large

1шт.

16

P3441418

GROMMET

- harness, small

1шт.

17

P3036926

BASE

RETAINER - harness strap

6шт.

18

P8043837

DOOR

ASSEMBLY - storage compartment, Includes: Ref. 19

1шт.

19

P736667

HINGE

PIN - hinge, Serial Range: welded-door

2шт.

P3337440

PLUG

- hinge, not shown

2шт.

P852098

LOCK ASSY

HANDLE AND LOCK ASSEMBLY - door, Includes: Ref. 20 - 24

1шт.

20

P852096

HANDLE

- door latch

1шт.

21

P2340499

DOOR COVER

PROTECTOR - cylinder

1шт.

22

P152083

LOCK, CYLINDER

CYLINDER AND KEY - lock

1шт.

P1352009

KEY

- lock

1шт.

23

P1352015

CATCH PLATE

LATCH - door, upper

1шт.

24

P1352014

END FITTING

LATCH - door, lower

1шт.

25

15896221

NUT,Hex, M6, 5.20mm High, Cl 10

2шт.

26

P35426

RIVET

POP RIVET - 8 mm x 25 mm

8шт.

27

P32621

SCREW

BOLT - hex, 6 mm x 16 mm

4шт.

28

P3528799

WASHER

SPACER - bolt, 4 mm thick

4шт.

29

P41434

STOP

- door, plastic

2шт.

30

PP2036939

CLASP

RETAINER - tie strap

1шт.

31

P3326358

HOOD

PANEL - door, inner (Replaces P2826178)

1шт.

32

11106231

BOLT,Hex, M10 x 1.5 x 25mm, Cl 10.9

BOLT, Hex, M10 x 25, 10.9, Full Thd

3шт.

33

P4328796

WASHER

SPACER - bolt, 7 mm thick

3шт.

34

P2434525

NUT

- cage type, 10 mm

2шт.

35

P2434524

NUT

- cage type, 10 mm

1шт.

36

P3523166

PLATE

- hinge support

1шт.

37

P33866

SCREW

BOLT - hex, 20 mm x 75 mm

5шт.

38

P4328747

WASHER

SPACER - bolt, 14 mm thick

10шт.

39

P134564

SAFETY NUT

NUT - hex, self-locking, 20mm

5шт.

41

P3037441

PLASTIC PLUG

PLUG - plastic, front of storage compartment

1шт.

42

P3337427

PLASTIC PLUG

PLUG - plastic, top of fuel tank

3шт.

Выбрано товаров: 46