Запчасти Case 688 (4-12) - BATTERIES, BATTERY MOUNTING AND CABLES (04) - ELECTRICAL SYSTEMS

Схема запчастей Case 688 - (4-12) - BATTERIES, BATTERY MOUNTING AND CABLES (04) - ELECTRICAL SYSTEMS
14
15
3
12
11
5
15
6
17
18
4
18
10
9
13
8
18
16
18
7
14
1
14
2
FIT
1:1
100%

Артикул

Название

Примечание

Количество

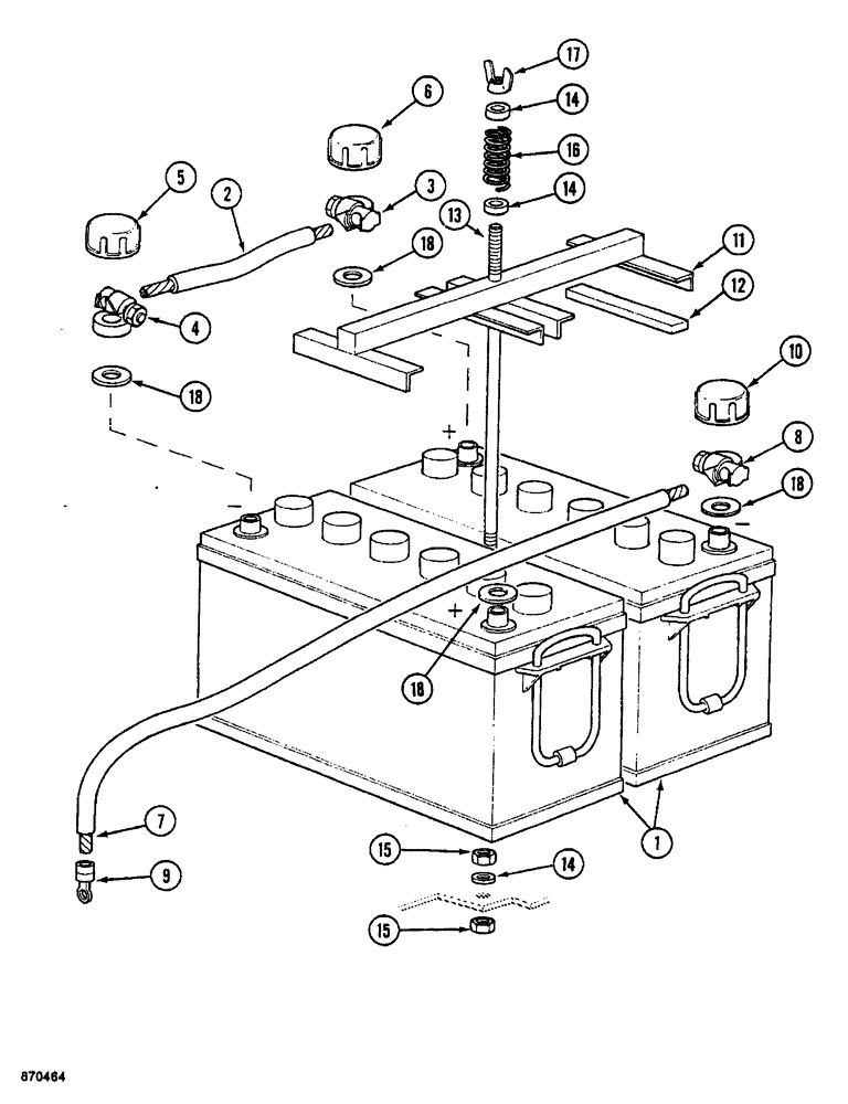
1

P1241858

BATTERY, DRY

BATTERY - engine electrical, 12 volt, capacity equals 100 A/H, cold cranking amps equals 400 amp

2шт.

P947255

CABLE

ASSEMBLY - jumper, battery to battery (Replaces P147210), Includes: Ref. 2 - 6

1шт.

2

REF

INSTRUCTION

CABLE - jumper, battery to battery, 15-3/4" long, cut from P104520

1шт.

3

P40920

CLAMP

TERMINAL - battery cable, positive

1шт.

4

P40919

TERMINAL CONNECTOR

TERMINAL - battery cable, negative

1шт.

5

P2340451

DOOR COVER

CAP - terminal protector, black

2шт.

6

P2340452

DOOR COVER

CAP - terminal protector, red

2шт.

P352219

CABLE

ASSEMBLY battery, negative post to ground, 1200 mm long, Replaces P2847226, 900 mm long, Includes: Ref. 7 - 10

1шт.

7

REF

INSTRUCTION

CABLE - battery to ground, 48-1/2" long, cut from P104520

1шт.

8

P40919

TERMINAL CONNECTOR

TERMINAL - battery cable, negative

1шт.

9

P40934

TERMINAL CONNECTOR

TERMINAL - battery cable, at ground

1шт.

10

P2340451

DOOR COVER

CAP - terminal protector, black

1шт.

11

P5328264

SHIN

RETAINER - battery, Includes: Ref. 12

1шт.

12

REF

INSTRUCTION

PROTECTOR - battery edge, rubber, 6" long, cut from P403145, use P3578 cement to, Serial Range: attach-retainer

4шт.

13

P2527722

TRUSS ROD

TIE ROD - battery retainer

1шт.

14

P4328796

WASHER

SPACER - bolt, 7 mm thick

3шт.

15

100016

NUT,M10 x 1.5, Cl 8

2шт.

16

P38165

COMPRESSION SPRING

SPRING - battery retainer

1шт.

17

P34410

THUMB SCREW

WING NUT - tie rod

1шт.

18

P2340487

HOLE PLUG BUTTON

WASHER - treated, corrosion protector set

2шт.

Выбрано товаров: 20