Запчасти Case 688 (4-24) - CAB ELECTRICAL COMPONENTS (04) - ELECTRICAL SYSTEMS

Схема запчастей Case 688 - (4-24) - CAB ELECTRICAL COMPONENTS (04) - ELECTRICAL SYSTEMS
6
29
39
21
27
24
36
16
13
33
32
35
23
12
10
7
18
11
14
38
26
40
3
5
34
7
37
30
28
8
15
9
27
1
17
4
18
31
22
25
29
19
2
20
FIT
1:1
100%

Артикул

Название

Примечание

Количество

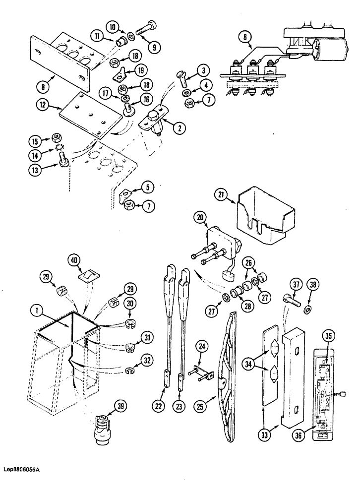
1

P8647295

HARNESS

- cab wiring

1шт.

2

P41676

IGNITION SWITCH

SWITCH - terminal, wiper motor

3шт.

3

P32427

SCREW

-, Serial Range: terminal-bracket

6шт.

4

P34703

WASHER

- lock

6шт.

5

P640921

CONNECTION

TERMINAL - wiper, Serial Range: motor-switch

3шт.

6

P5447281

ELECTRICAL WIRE

WIRE - terminal to wiper motor

1шт.

7

P34107

NUT - hex

9шт.

8

P2928214

SUPPORT

BRACKET - mounting, insulator and contact button

1шт.

9

86977786

BOLT,Hex, M6 x 1 x 25mm, Cl 8.8

Hex, M6 x 25, 8.8, Full Thd - Bracket to cab

2шт.

10

P3528799

WASHER

SPACER - bolt

2шт.

11

P834513

NUT

RETAINER - bolt, sleeve type

2шт.

12

P1241437

RUBBER INSULATOR

INSULATOR - contact, Serial Range: button-bracket

1шт.

13

P32506

SCREW

-, Serial Range: insulator-bracket

2шт.

14

P34803

WASHER

- lock

2шт.

15

86508812

NUT,M3, Cl 8

2шт.

16

P1033082

SCREW

BUTTON - electrical contact

3шт.

17

P34706

WASHER

- lock

3шт.

18

P34108

NUT

- hex

6шт.

19

P640921

CONNECTION

TERMINAL - contact button to cab wiring

3шт.

20

P1241823

WIPER MOTOR

MOTOR ASSEMBLY - wiper

1шт.

21

P3840370

HOUSING

COVER - wiper motor

1шт.

22

P2343292

ARM

- wiper, outer

2шт.

23

P2343291

ARM

- wiper, inner

1шт.

24

P2343293

BRUSH HOLDER

LINKAGE - wiper arm

1шт.

25

P2343294

WIPER BLADE

WIPER - windshield

1шт.

26

P1128594

WASHER

SPACER - motor shaft, long

4шт.

27

P1446361

WASHER

SPACER - motor shaft, short

4шт.

28

P2541402

GROMMET

BUSHING - motor shaft

2шт.

29

P41447

GROMMET

- rubber, Serial Range: harness-cab

2шт.

30

P3141476

HALF-BUSHING

GROMMET - rubber, 0.79" diameter

1шт.

31

P3141475

HALF-BUSHING

GROMMET - rubber, 0.63" diameter

1шт.

32

REF

INSTRUCTION

GUARD - edge, harness, 3-3/4" long, cut from P1303157

1шт.

33

P841718

COURTESY LIGHT

LAMP AND COVER - cab

1шт.

34

P40565

LAMP

BULB - cab lamp

2шт.

35

P6747257

ELECTRICAL WIRE

WIRE - lamp, upper

1шт.

36

P6747256

ELECTRICAL WIRE

WIRE - lamp, lower

1шт.

37

P32529

SCREW,Hex Soc Hd, M4 x 16

- lamp to cab

2шт.

38

P4328717

WASHER

SPACER - lamp screw

2шт.

39

P40746

CONNECTOR,ELECTRIC

PLUG - cab harness, 7-way

1шт.

40

P1241413

CLIP,ELECTRICAL

CLIP -, Serial Range: harness-cab

2шт.

Выбрано товаров: 40