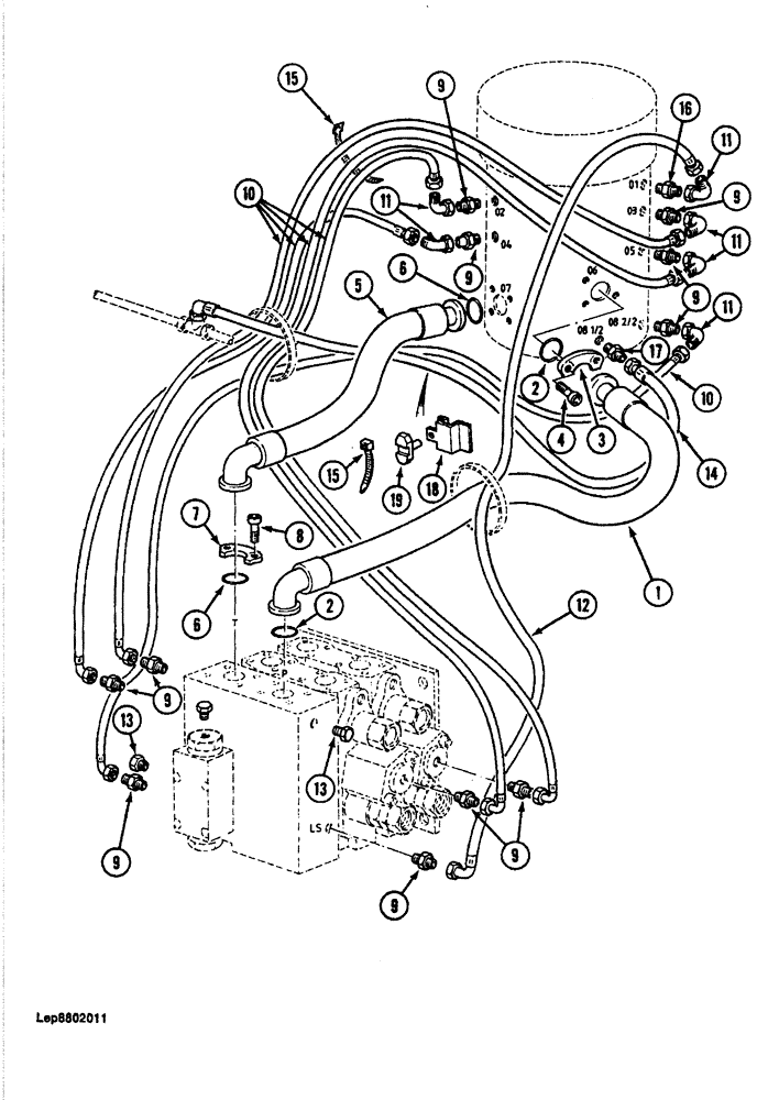
Запчасти Case 688 (7-12) - PRESSURE AND RETURN LINE, TO DRIVE CONTROL VALVE (07) - BRAKES

Схема запчастей Case 688 - (7-12) - PRESSURE AND RETURN LINE, TO DRIVE CONTROL VALVE (07) - BRAKES
13
15
12
6
8
9
16
1
9
13
7
17
4
9
9
10
2
11
19
9
9
6
15
3
10
18
11
14
11
9
2
5
9
11
FIT
1:1
100%

Артикул

Название

Примечание

Количество

1

P5431934

HOSE

- 31-1/2" long, pressure, to center block of drive control valve

1шт.

2

P330421

O-RING,0.139" Thk x 1.296" ID, -219, Cl 6, 90 Duro

- hose flange

2шт.

3

P4024267

SHIN

SPLIT FLANGE - hose

4шт.

4

P32944

SCREW

BOLT - hex socket, 12 mm x 40 mm

8шт.

5

P5431941

HOSE

- 31-1/2" long, Serial Range: return-swivel

1шт.

6

P330421

O-RING,0.139" Thk x 1.296" ID, -219, Cl 6, 90 Duro

- hose flange

2шт.

7

P4024272

BRACKET

SPLIT FLANGE - hose

4шт.

8

P32933

SCREW

BOLT - hex socket, 12 mm x 30 mm

8шт.

9

P3237530

UNION

ADAPTER - straight

11шт.

P7046042

SEAL

- adapter, not shown

1шт.

10

P5431984

HOSE

- 39-3/8" long, pilot, swivel to brake release valve

5шт.

11

P1737018

ANGLE

ELBOW - 90 degree

6шт.

12

P5431940

HOSE

- 49-3/16" long, presssure sensing

1шт.

13

P2537447

PLUG

- valve

3шт.

P7046042

SEAL

- plug, not shown

1шт.

14

P5431985

HOSE

- 31-1/2" long, leak return

1шт.

15

P51946

CLAMP

TIE STRAP - hose, 10-1/8" long

1шт.

16

P3743308

VALVE POPPET

ADAPTER - power sensing, Serial Range: hose-swivel

1шт.

P7046042

SEAL

- adapter, not shown

1шт.

17

P3237532

UNION

ADAPTER - straight

1шт.

P2230418

SEAL

O-RING - adapter

1шт.

18

P2036903

CLASP

CLIP - retainer, 5/16 inch - 1/2 inch range

2шт.

19

P2036939

CLASP

RETAINER - tie strap

2шт.

Выбрано товаров: 23