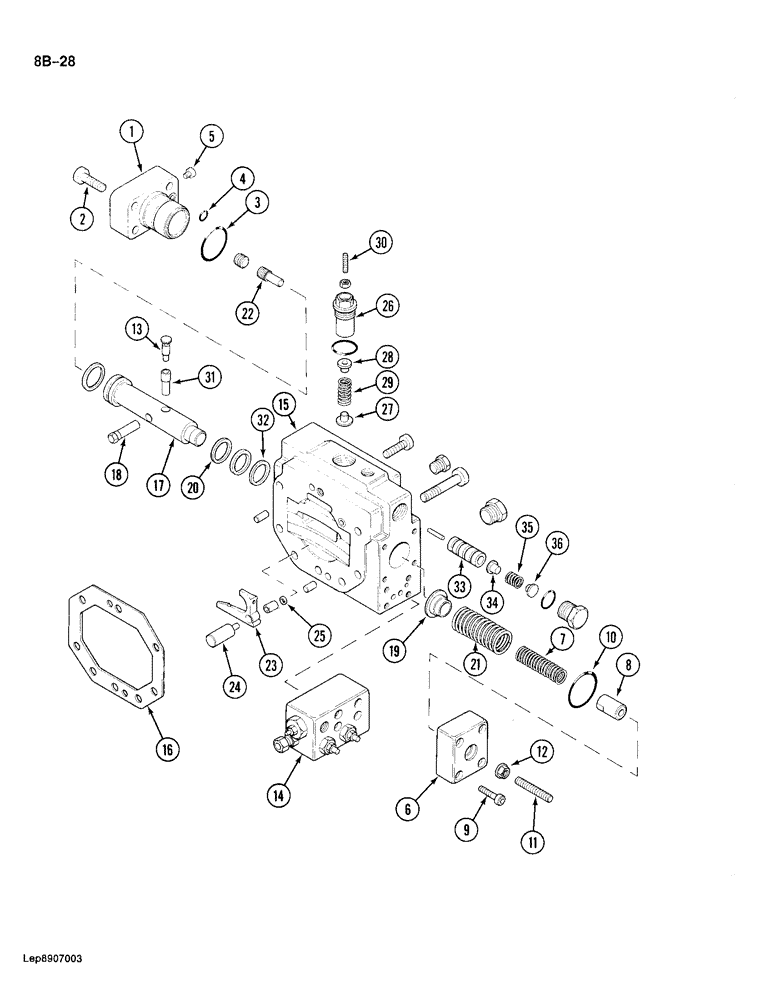
Запчасти Case 688 (8B-28) - REGULATOR (08) - HYDRAULICS

Схема запчастей Case 688 - (8B-28) - REGULATOR (08) - HYDRAULICS
FIT
1:1
100%

Артикул

Название

Примечание

Количество

P4543544

PUMP

HYDRAULIC PUMP ASSEMBLY - high pressure, Includes: Ref. 1 - 36 on this figure & Ref. 37 - 50 on Figure 8B-30, Serial Range: 11601-XXXXX

1шт.

P4543564

PUMP

HYDRAULIC PUMP ASSEMBLY - high pressure, Includes: Ref. 1 - 36 on this figure & Ref. 37 - 50 on Figure 8B-30, Start Serial: XXXXX

1шт.

P3843602

GOVERNOR

REGULATOR - hydraulic pump, Includes: Ref. 1 - 36 on this figure & Ref. 37 - 50 on Figure 8B-30

1шт.

1

P5240355

COVER

- regulator (Replaces P5240342)

1шт.

2

P32944

SCREW

BOLT - hex socket, 12 mm x 40 mm (Replaces P532918)

4шт.

3

P2930486

O-RING

- cover to body, large

1шт.

4

P2930487

O-RING,0.07" Thk x 0.364" ID, -12, Cl 5, 75 Duro

- cover to body, small

1шт.

5

P3337449

PLUG

- body

1шт.

P8646284

COVER

ASSEMBLY - regulator, Includes: Ref. 6 - 12

1шт.

6

NSS

NOT SOLD SEPARAT

COVER - regulator

1шт.

7

P1038268

SPRING

- regulator

1шт.

8

NSS

NOT SOLD SEPARAT

STOP - spool stop

1шт.

9

P32924

SCREW

BOLT - hex socket, 8 mm x 35 mm (Replaces P132909)

4шт.

10

P2930484

O-RING,0.103" Thk x 2.05" ID, -137, Cl 5, 75 Duro

-, Serial Range: cover-body

1шт.

1

P32891

SCREW

- adjusting valve

1шт.

12

P2434572

NUT

- adjusting screw, 10 mm

1шт.

13

P8646285

PISTON

- torque control

1шт.

14

REF

INSTRUCTION

VALVE ASSEMBLY - see Figure 8B-32

1шт.

15

P5240346

HOUSING

BODY - regulator

1шт.

16

P9346069

SEAL

-, Serial Range: body-pump

1шт.

17

P8646288

PISTON

SPOOL - adjustable flow valve

1шт.

18

P8646289

PIVOT

- swash control

1шт.

19

P3628842

CUPEL

SEAT - spring

1шт.

20

P1245283

RING

- spool

1шт.

21

P1038271

SPRING

- adjustable flow valve

1шт.

22

P1136022

SPLIT PIN/SAFETY PIN

PIN - spool

1шт.

23

P5242779

LEVER

- torque control

1шт.

24

P6427840

PIN

- lever

1шт.

25

P3628843

BUSHING

- torque

1шт.

26

P5240347

CAP

BODY - torque control valve

1шт.

27

P3628861

CUPEL

SEAT - spring (Replaces P3628844)

1шт.

28

P3628862

CUPEL

SEAT - spring (Replaces P3628845)

1шт.

29

P1038272

SPRING

- torque control

1шт.

30

P32892

SCREW

- adjusting

1шт.

31

P3628846

BUSHING

SLEEVE - torque control

1шт.

32

P1245284

BUSHING

BACKUP RING - seal

1шт.

33

NSS

NOT SOLD SEPARAT

LINER - torque control

1шт.

34

NSS

NOT SOLD SEPARAT

PISTON - liner

1шт.

35

P1038273

SPRING

- torque control

1шт.

36

P3628847

CUPEL

SEAT - spring

1шт.

Выбрано товаров: 40