Запчасти Case 688 (8B-30) - REGULATOR, CONTD (08) - HYDRAULICS

Схема запчастей Case 688 - (8B-30) - REGULATOR, CONTD (08) - HYDRAULICS
FIT
1:1
100%

Артикул

Название

Примечание

Количество

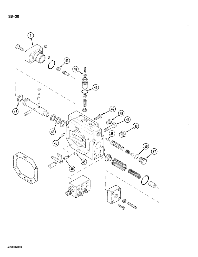
P3843602

GOVERNOR

REGULATOR - hydraulic pump, Includes: Ref. 37 - 50 on this figure & Ref. 1 - 36 on Figure 8B-28

1шт.

37

P5240348

CAP

PLUG - torque control

1шт.

38

P1136023

SPLIT PIN/SAFETY PIN

PIN - torque control

1шт.

39

P3337448

PLUG

- regulator body

2шт.

40

P945917

SLEWING RING

BEARING - needle

1шт.

41

P32940

SCREW

BOLT - hex socket, 12 mm x 80 mm

7шт.

42

W1232958

BOLT,M8 x 45mm, Cl 10.9

(Replaces P1232958) Hex Soc Hd, M8 x 45, 10.9

1шт.

43

P2230418

SEAL

PLUG - spool (Replaces P3237487)

1шт.

44

P2930485

O-RING,0.103" Thk x 0.862" ID, -118, Cl 6, 90 Duro

- body, torque control

1шт.

45

P36055

DEUTZ PART

PIN -, Serial Range: body-housing

2шт.

46

P3034502

NUT

- adjusting screw

1шт.

47

P9346066

SEAL

- spool

1шт.

48

P9346067

SEAL

- spool

1шт.

49

P2230426

SEAL

PLUG - body (Replaces P3237483)

1шт.

50

P2930485

O-RING,0.103" Thk x 0.862" ID, -118, Cl 6, 90 Duro

- plug

1шт.

Выбрано товаров: 15