Запчасти Case 688 (1-12) - PICTORIAL INDEX, ENGINE COMPARTMENT HYDRAULIC CIRCUIT (00) - PICTORIAL INDEX

Схема запчастей Case 688 - (1-12) - PICTORIAL INDEX, ENGINE COMPARTMENT HYDRAULIC CIRCUIT (00) - PICTORIAL INDEX
FIT
1:1
100%

Артикул

Название

Примечание

Количество

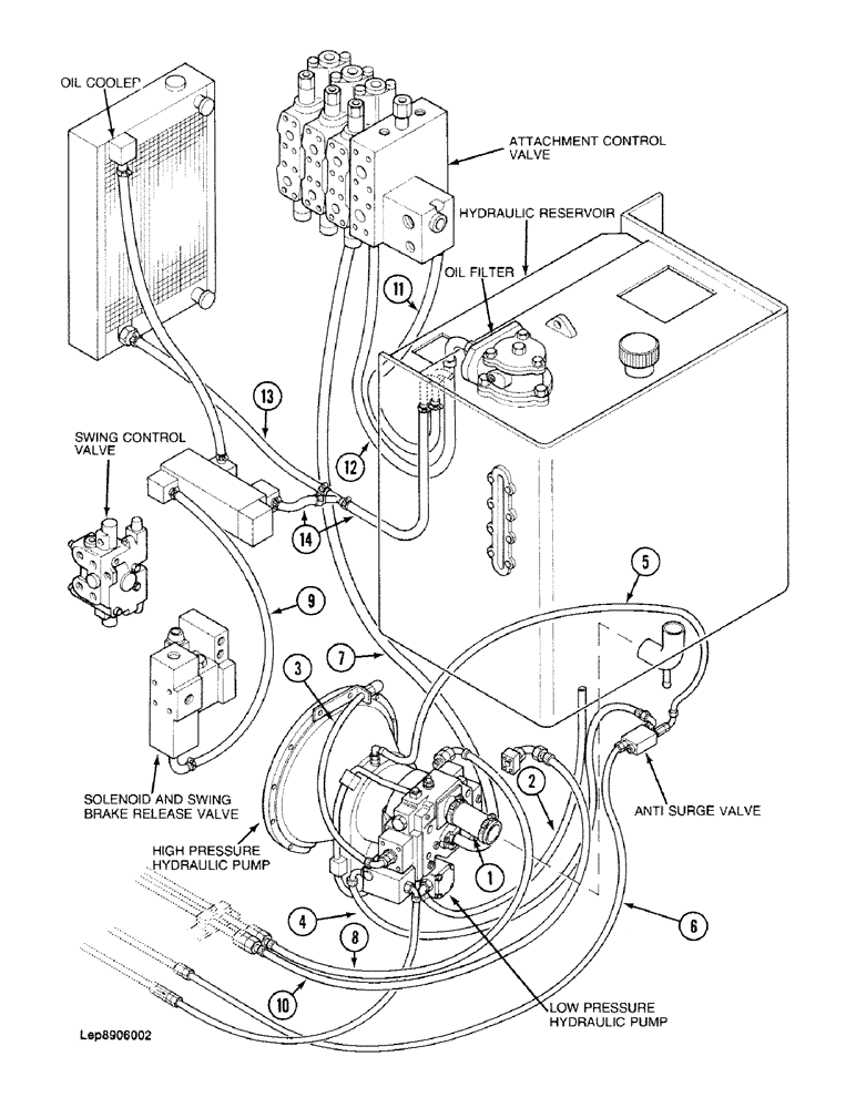
1

Charge Suction Line, Page 8B-7

1шт.

2

Low Pressure Pump Suction Hose, Page 8B-9

1шт.

3

Hose, Pump to Check Point, Page 8B-9

1шт.

4

Hose, Pump to Leak Return Valve, Page 8B-7

1шт.

5

Hose, Pump to Leak Return Valve, Page 8B-7

1шт.

6

Hose, Leak Return Valve to Tee, Page 8B-7

1шт.

7

Hose, Pressure Pump to Attachment Control Valve, Page 8B-5

1шт.

8

Hose, Pressure Pump to Swing Control Valve, Page 8B-7

1шт.

9

Hose, Return Brake Release Valve to Cooler, Page 8B-7

1шт.

10

Hose, Low Pressure Pump to Brake Release Valve, Page 8B-7

1шт.

11

Hose, Leak Return Attachment Control Block to Reservoir, Page 8B-5

1шт.

12

Hose, Return Attachment Control Valve to Reservoir, Page 8B-5

1шт.

13

Hose, Return Cooler to Hydraulic Reservoir, Page 8B-11

1шт.

14

Hose, Return Optional Thermostat Control Valve to Cooler, Page 8B-11

1шт.

Выбрано товаров: 14