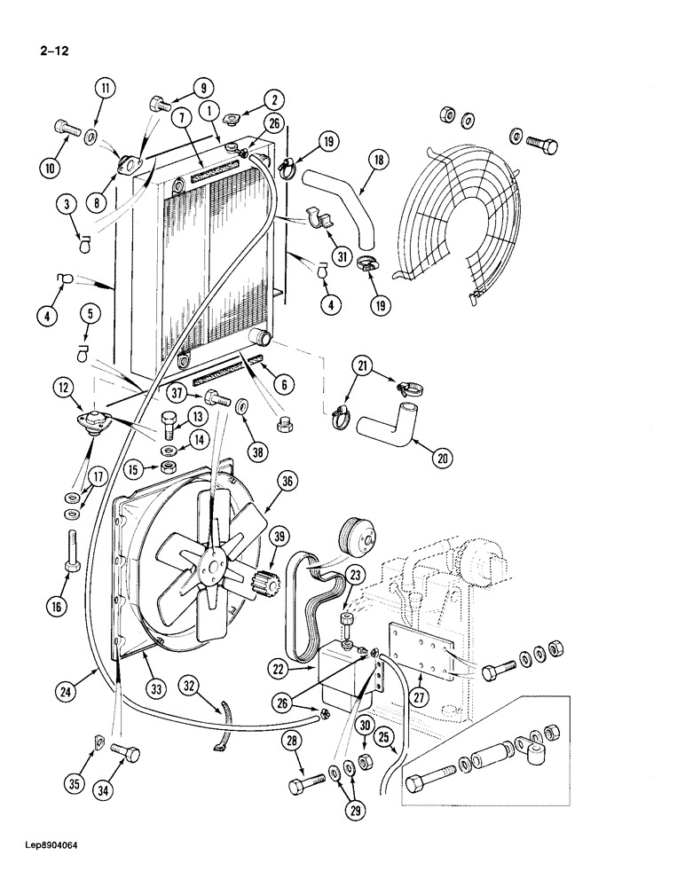
Запчасти Case 688 (2-12) - RADIATOR, OIL COOLER, HOSES AND COOLANT RECOVERY, P.I.N. FROM 11601 TO XXXXX (02) - ENGINE

Схема запчастей Case 688 - (2-12) - RADIATOR, OIL COOLER, HOSES AND COOLANT RECOVERY, P.I.N. FROM 11601 TO XXXXX (02) - ENGINE
FIT
1:1
100%

Артикул

Название

Примечание

Количество

1

P3743275

RADIATOR

- engine and hydraulic oil cooling, Includes: Ref. 2

1шт.

2

P2537495

PLUG

CAP - radiator

1шт.

3

REF

INSTRUCTION

SEAL - radiator, at top, 13-3/8" long, cut from P4441419 (Replaces P1303178)

1шт.

Use P3578 adhesive for mounting.

1шт.

4

REF

INSTRUCTION

SEAL - radiator, at sides, 24-1/4" long, cut from P4441419 (Replaces P1303178)

2шт.

Use P3578 adhesive for mounting.

1шт.

5

REF

INSTRUCTION

SEAL - radiator, at bottom, 22-5/16" long, cut from P4441419 (Replaces P1303178)

1шт.

Use P3578 adhesive for mounting.

1шт.

6

REF

INSTRUCTION

SEAL - flat, radiator bottom, 28" long, cut from P403144

1шт.

Use P3578 adhesive for mounting.

1шт.

7

REF

INSTRUCTION

SEAL - flat, radiator top, 12-1/4" long, cut from P403144

1шт.

Use P3578 adhesive for mounting.

1шт.

8

P3841459

ELEC. TERMINAL PIN

MOUNT - rubber, upper radiator

2шт.

9

P133857

SCREW

BOLT - hex, 6 mm x 12 mm

4шт.

10

120100

BOLT,M6 x 20mm, Cl 8.8

2шт.

11

P3528799

WASHER

SPACER - bolt, 4 mm thick

2шт.

12

P2241484

SUPPORT

MOUNT - rubber, lower radiator

2шт.

13

P733029

SCREW

BOLT - hex, 8 mm x 30 mm

6шт.

14

P3528794

WASHER

SPACER - bolt, 6 mm thick

6шт.

15

P134596

SAFETY NUT

NUT - hex, self-locking, 8 mm

6шт.

16

P33833

SCREW

BOLT - hex, 10 mm x 75 mm

2шт.

17

P3528795

WASHER

SPACER - bolt, 7 mm thick

4шт.

18

P5931988

LARGE HOSE

HOSE - radiator, upper

1шт.

19

P36935

COLLAR CLAMP

CLAMP - hose, upper radiator

2шт.

20

P5931989

LARGE HOSE

HOSE - radiator, lower

1шт.

21

P136902

COLLAR CLAMP

CLAMP - hose, lower radiator

2шт.

22

A184395

RESERVOIR

BOTTLE - coolant recovery

1шт.

23

A184079

CAP

- recovery bottle

1шт.

24

REF

INSTRUCTION

HOSE - radiator overflow, 98-3/8" long, cut from P1103638

1шт.

25

REF

INSTRUCTION

HOSE - recovery bottle overflow, 39-3/8" long, cut from P1103638

1шт.

26

P36951

COLLAR

CLAMP - overflow hose

3шт.

27

P3122893

SUPPORT

BRACKET - mounting, recovery bottle

1шт.

28

P1133803

SCREW

BOLT - hex, 6 mm x 22 mm

4шт.

29

P35001

WASHER

- flat, 6mm

8шт.

30

P234513

SAFETY NUT

NUT - hex self-locking, 6 mm

4шт.

31

P1736917

CLASP

CLIP - retainer

2шт.

32

P51946

CLAMP

TIE STRAP - radiator overflow hose, 10-1/8" long

1шт.

33

P4540345

ORIFICE RING

SHROUD - fan

1шт.

34

43127

BOLT,Hex, M8 x 1.25 x 25mm, Cl 8.8

BOLT, Hex, M8 x 25, 8.8

8шт.

35

P5123410

PLATE

SPACER - bolt, 6 mm thick (Replaces P3528794)

8шт.

36

A189064

FAN

- engine cooling

1шт.

37

P33832

SCREW

BOLT - hex, 10 mm x 110 mm

4шт.

38

P5428776

WASHER

- fan bolt

4шт.

39

A184524

SPACER

- fan blade

1шт.

Выбрано товаров: 44