Запчасти Case 688 (2-44) - CYLINDER BLOCK, 4T-390 ENGINE, CONTD (02) - ENGINE

Схема запчастей Case 688 - (2-44) - CYLINDER BLOCK, 4T-390 ENGINE, CONTD (02) - ENGINE
FIT
1:1
100%

Артикул

Название

Примечание

Количество

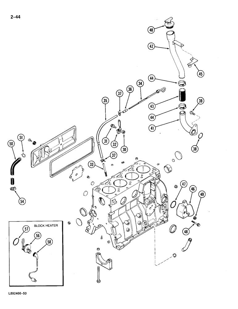
30

J900240

NUT

- hex, 8 mm

1шт.

31

845-8016

BOLT,Hvy Hex, M8 x 16mm, Cl 8.8

- hex flange, 8 mm - 1.25 x 16 mm

1шт.

32

J905804

BRACKET

BRACE - tube

1шт.

33

J905425

TUBE,9.52 mm OD x 93 mm L

- dipstick

1шт.

34

J907709

DIPSTICK

- oil level gauge

1шт.

35

J905799

TUBE,9.5 mm ID x 12.7 mm OD x 533.4 mm L

- oil gauge, flexible

1шт.

36

J905802

FITTING,9.53 mm OD x 39 mm L

END - oil gauge tube

1шт.

37

214-103

HOSE CLAMP,#8, 1/2", Spring

CLAMP - spring type, 1/2 inch

2шт.

38

J906696

SEAL,41mm ID x 43mm OD x 2.5mm H

O-RING - sealing

1шт.

39

854-12025

BOLT,Hvy Hex, M12 x 25mm, Cl 10.9

- hex flange, 12 mm - 1.75 x 25 mm

2шт.

40

A77424

FILLER CAP

CAP - oil fill tube

1шт.

41

J912687

TUBE,38.1 mm ID x 195.9 mm L

- oil fill

1шт.

42

J912689

TUBE,38.1 mm OD x 371.1 mm L

- oil fill extension

1шт.

43

J912686

HOSE,38.1mm ID x 84mm L

Oil Fill Tube Connection 1.50 mm ID x 84.00 mm

1шт.

44

214-257

HOSE CLAMP,#24, 1.06" - 2", Type F Worm

2шт.

45

J912683

TUBE

BRACKET - oil fill

1шт.

46

J903103

MANIFOLD

CONNECTION - water inlet

1шт.

47

J906697

SEAL,Square, 5.16mm Thk x 50.17mm ID

O-RING - sealing, 50 mm ID

1шт.

48

J901757

FLANGE BOLT,Hex, M10 x 75mm, Cl 10.9

BOLT - hex flange head, 10 mm - 1.50 x 75 mm

3шт.

49

A77429

PLUG

- hex socket pipe, 1/2 inch PT

2шт.

50

J906593

HOSE

Breather

1шт.

51

J904230

CLAMP,25.4mm

- spring hose

1шт.

54

J909670

CLIP

- retaining

1шт.

A77634

KIT

HEATER KIT - engine block, Includes: Ref. 56 & 57

1шт.

56

NSS

NOT SOLD SEPARAT

ELEMENT - engine heater, 12 volt, block, Includes: Ref. 57

1шт.

57

J905113

CABLE

- engine block heater

1шт.

58

J910517

O-RING

- heater sealing, engine block

1шт.

Выбрано товаров: 27