Запчасти Case 688 (7-02) - TRACK DRIVE CONTROL CIRCUIT (07) - BRAKES

Схема запчастей Case 688 - (7-02) - TRACK DRIVE CONTROL CIRCUIT (07) - BRAKES
FIT
1:1
100%

Артикул

Название

Примечание

Количество

1

REF

INSTRUCTION

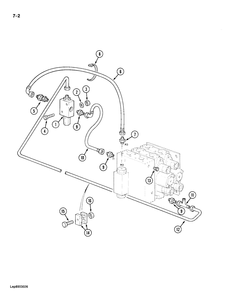
VALVE ASSEMBLY - speed control limiter, see Figure 7-16

1шт.

2

P3528799

WASHER

SPACER - bolt, 4 mm thick

2шт.

3

P234513

SAFETY NUT

NUT - hex, 6 mm

2шт.

4

P133808

SCREW

BOLT - hex, 6 mm x 45 mm

2шт.

5

P4037567

VALVE POPPET

VALVE - no return valve

1шт.

P7046042

SEAL

- adapter

1шт.

6

P5431965

HOSE

- 31-1/2 inch long, speed limiter valve to brake release valve

1шт.

7

P4237583

UNION

ADAPTER - straight

1шт.

P7046042

SEAL

- adapter

1шт.

8

P51946

CLAMP

TIE STRAP - hoses, 10-1/8 inch long

3шт.

9

P3237530

UNION

ADAPTER - straight

3шт.

P7046042

SEAL

- adapter

1шт.

10

P5931912

HOSE

- 12-1/2 inch long, speed limiter valve to drive valve section

1шт.

11

P937295

TEE

- street

1шт.

12

P7349138

PIPE

TUBE - drive control valve to speed limiter, power sensing

1шт.

13

P2537447

PLUG

- drive control valve

1шт.

P7046042

SEAL

- plug

1шт.

14

P4420364

SHIN

CLAMP - two tubes

2шт.

15

P933818

SCREW

BOLT - hex, 10 mm x 40 mm

1шт.

16

P34598

SAFETY NUT

NUT - hex, 10 mm

1шт.

Выбрано товаров: 20