Запчасти Case 688 (2-06) - CLAMSHELL CYLINDER, (-XXXXX)

Схема запчастей Case 688 - (2-06) - CLAMSHELL CYLINDER, (-XXXXX)
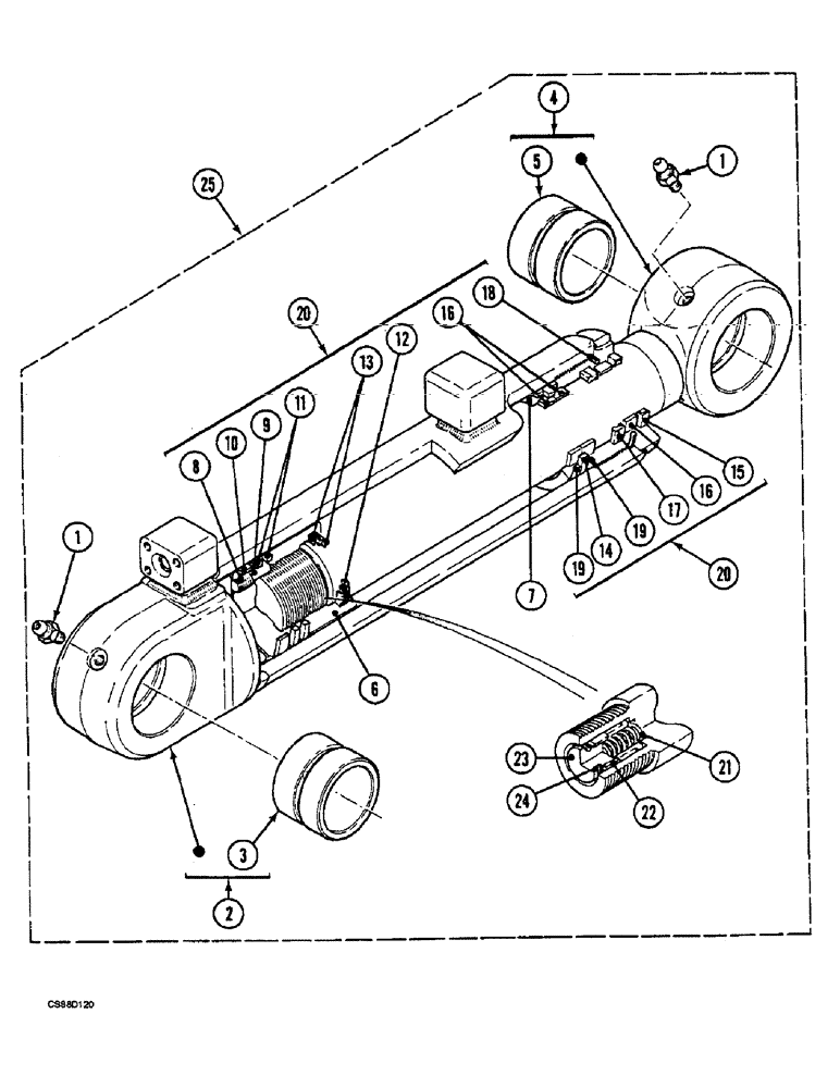
1
15
25
19
6
14
24
22
8
20
21
9
19
7
10
4
12
11
20
17
1
23
3
16
16
2
18
13
5
FIT
1:1
100%

Артикул

Название

Примечание

Количество

1

W45836

LUBE NIPPLE,1/8"-27 NPT

2шт.

2

P1452440

JACK BODY

CYLINDER tube

1шт.

3

B1528673

BUSHING

60 x 75 x 55

1шт.

4

Q8849494

PISTON ROD

1шт.

5

B1528673

BUSHING

60 x 75 x 55

1шт.

6

M1829960

PISTON

CYLINDER

1шт.

7

E4429114

CYLINDER END CAP

GLAND

1шт.

8

F1432951

SET SCREW,M10 x 16mm

M10 x 16

1шт.

9

N827736

PIN

1шт.

10

Q1845281

BAND

2шт.

11

C1451233

SPECIAL MAT. SEAL

2шт.

12

X2030484

O-RING,0.139" Thk x 2.734" ID, -232, Cl 6, 90 Duro

3.53 x 69.44

1шт.

13

E9046019

BACK-UP RING

2шт.

14

A2030486

SEAL,92.23mm ID x 98.23mm OD x 1.78mm Thk

1шт.

15

D1251341

SCRAPER

SEAL, 70 x 84 x 7

1шт.

16

M9046049

BAND

70 x 75 x 15

3шт.

17

F1951210

GASKET

70 x 85 x 11.4

1шт.

18

R730449

O-RING,0.103" Thk x 3.987" ID, -155, Cl 5, 75 Duro

2.62 x 101.27

1шт.

19

G1951211

SEAL

70 x 85 x 8.5

1шт.

20

N4949635

KIT

seals

1шт.

21

E738143

COMPRESSION SPRING,Compression, 11.4mm OD x 64mm L

1шт.

22

M1928653

BUSHING

1шт.

23

D2029845

PISTON

1шт.

24

L3136911

SPECIAL RING

1шт.

25

R7346721

CYLINDER ASSY.

Order : H8567461

1шт.

Выбрано товаров: 25