Запчасти Case 688BCK (8C-12) - CIRCUIT - QUICK COUPLER, 688B CK (120301-) (07) - HYDRAULIC SYSTEM

Схема запчастей Case 688BCK - (8C-12) - CIRCUIT - QUICK COUPLER, 688B CK (120301-) (07) - HYDRAULIC SYSTEM
3
8
15
12
5
11
4
6
9
9
10
2
14
9
16
7
13
18
17
1
19
FIT
1:1
100%

Артикул

Название

Примечание

Количество

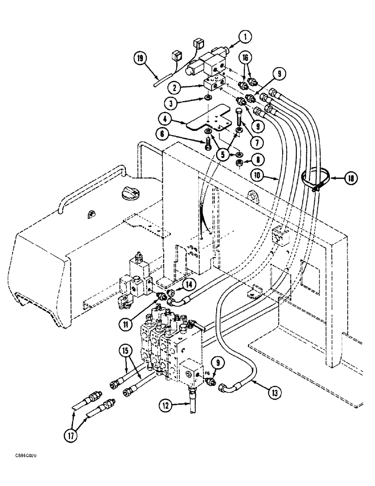
1

REF

INSTRUCTION

BLOCK SEE FIGURE: 8E-24

1шт.

2

J4723311

LARGE PLATE

PLATE, LARGE

1шт.

3

V3528794

WASHER

8.25 x 6 x 20

3шт.

4

A3522887

SUPPORT

1шт.

5

715853R1

RING

M8 N

7шт.

6

120104

BOLT,Hex, M8 x 1.25 x 20mm, Cl 8.8

3шт.

7

120106

BOLT,M8 x 1.25 x 45.45mm, Cl 8.8

2шт.

8

43362

NUT,M8 x 1.25, Cl 10

2шт.

9

E3237530

UNION

3шт.

R7046042

GASKET

11.5 x 16.5 x 1.5

1шт.

10

B6531955

HOSE

630MM

1шт.

11

K3237581

UNION

1шт.

R7046042

GASKET

11.5 x 16.5 x 1.5

1шт.

12

REF

INSTRUCTION

CIRCUIT SEE FIGURE: 8C-8

1шт.

13

X5431954

HOSE

1400MM

1шт.

14

U2537447

PLUG

M14 x 1.5MM

1шт.

R7046042

GASKET

11.5 x 16.5 x 1.5

1шт.

15

Q8131940

HOSE

8000MM

2шт.

16

T4037529

HYD CONNECTOR

2шт.

R7046042

GASKET

11.5 x 16.5 x 1.5

1шт.

17

REF

INSTRUCTION

CIRCUIT SEE ATTACHMENTS CATALOGUE

1шт.

18

N51946

CLAMP

COLLAR 258MM

1шт.

19

REF

INSTRUCTION

CIRCUIT SEE FIGURE: 4-12

1шт.

Выбрано товаров: 23