Запчасти Case 688BCK (8C-30) - FLOW DISTRIBUTOR, 688B CK (120301-) (07) - HYDRAULIC SYSTEM

Схема запчастей Case 688BCK - (8C-30) - FLOW DISTRIBUTOR, 688B CK (120301-) (07) - HYDRAULIC SYSTEM
3
5
4
1
2
6
FIT
1:1
100%

Артикул

Название

Примечание

Количество

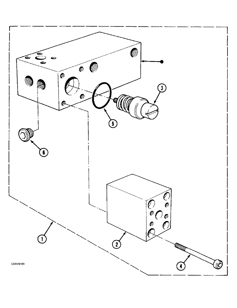
1

F3743347

BLOCK ASSY.

1шт.

2

V5243306

SHIN

COUPLING FLANGE

1шт.

3

E3743346

LIMITER, TRAVEL

LIMITER

1шт.

4

T1032924

SCREW

M10 x 110 10.9

4шт.

5

U330436

O-RING

3.53 x 49.21

1шт.

6

H2537413

PLUG

M22 x 1.5MM

2шт.

G1145268

GASKET

19.6 x 24.3 x 1.5

1шт.

Выбрано товаров: 7