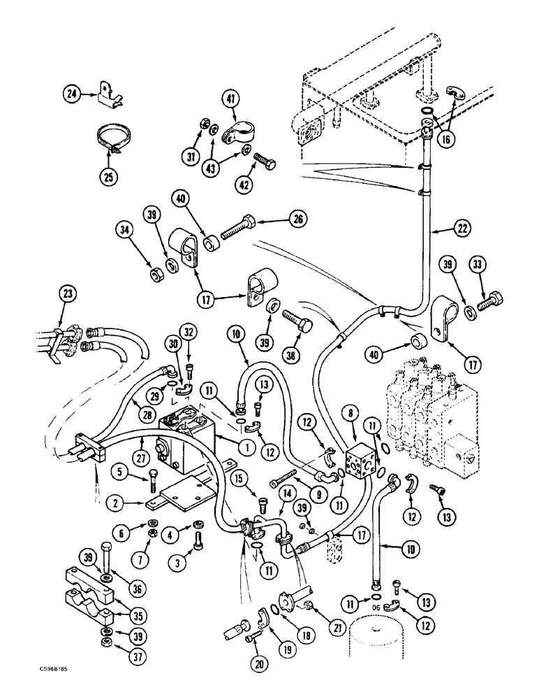
Запчасти Case 688BCK (8E-14) - CIRCUIT - HAMMER, 688B CK(120399-120...) (07) - HYDRAULIC SYSTEM

Схема запчастей Case 688BCK - (8E-14) - CIRCUIT - HAMMER, 688B CK(120399-120...) (07) - HYDRAULIC SYSTEM
39
4
13
40
36
24
40
17
42
10
5
22
41
20
11
12
27
14
18
26
21
39
3
11
30
23
19
11
39
32
7
25
35
38
39
15
11
13
12
39
13
31
34
2
17
12
12
33
9
37
28
39
43
1
6
17
10
29
11
16
8
FIT
1:1
100%

Артикул

Название

Примечание

Количество

1

REF

INSTRUCTION

CONTROL VALVE SEE FIGURE: 8E-32

1шт.

2

K4427118

SUPPORT

1шт.

3

9706687

BOLT,M12 x 1.75 x 30mm, Cl 8.8

3шт.

4

U3528793

WASHER

12.25 x 8 x 30

3шт.

5

P133804

BOLT,Hex, M20 x 85

2шт.

6

X3528796

WASHER

21 x 14 x 45

2шт.

7

Q134564

SAFETY NUT

M20

2шт.

8

A1237216

TEE

1шт.

9

L132904

SCREW

M12 x 120

4шт.

10

T6731910

HOSE

1000MM

2шт.

11

D330421

O-RING,0.139" Thk x 1.296" ID, -219, Cl 6, 90 Duro

3.53 x 32.92

6шт.

12

D4024267

SHIN

HALF CLAMP

8шт.

13

J532918

SCREW,Hex Skt, M12 x 40mm, Cl 10.9

12шт.

14

X3750194

MANIFOLD

1шт.

15

14420221

HEX SOC SCREW,M10 x 30mm, Cl 8.8

4шт.

16

REF

INSTRUCTION

CIRCUIT SEE FIGURE: 8A-2

1шт.

17

J1736922

CLAMP

COLLAR 51-57MM

4шт.

18

S1230493

O-RING,37.69mm ID x 3.53mm Width

3.53 x 37.69

2шт.

19

K4024273

RETAINER

HALF CLAMP

4шт.

20

N1232973

SCREW,Hex Soc Hd, M12 x 50, 10.9

8шт.

21

337475

NUT,M12, Cl 10

8шт.

22

R8031983

HOSE

3000MM

1шт.

23

REF

INSTRUCTION

CIRCUIT SEE ATTACHMENTS CATALOGUE

1шт.

24

Z2036902

CLASP

THONG 3-7MM

1шт.

24

R1436963

CLASP

THONG 14-20MM

1шт.

25

D136922

BLISTER

COLLAR 351MM

1шт.

26

120113

BOLT,Hex, M10 x 1.5 x 50mm, Cl 8.8, Full Thd

1шт.

27

L6531941

HOSE

1250MM

1шт.

28

D5931979

HOSE

1400MM

1шт.

29

L1130483

O-RING

3.53 x 24.99

1шт.

30

C4024266

CLAMP

HALF

2шт.

31

F234513

SAFETY NUT

M6

2шт.

32

14420331

HEX SOC SCREW,M10 x 1.5 x 35mm, Cl 10.9, Full Thd

4шт.

33

614-10060

BOLT,Hex, M10 x 1.5 x 60mm, Cl 8.8, Full Thd

1шт.

34

100016

NUT,M10 x 1.5, Cl 8

1шт.

35

G5120335

SHIN

FIXING BRACKET

2шт.

36

120074

BOLT,Hex, M10 x 90, 8.8

2шт.

37

G34598

SAFETY NUT

M10

2шт.

38

120112

BOLT,Hex, M10 x 1.5 x 40mm, Cl 8.8, Full Thd

1шт.

39

W3528795

WASHER

10.25 x 7 x 25

8шт.

40

R4328730

WASHER

10.25 x 20 x 25

2шт.

41

F1736988

CLAMP

COLLAR

2шт.

42

86977786

BOLT,Hex, M6 x 1 x 25mm, Cl 8.8

2шт.

43

B3528799

WASHER

6.25 x 4 x 15

4шт.

Выбрано товаров: 44