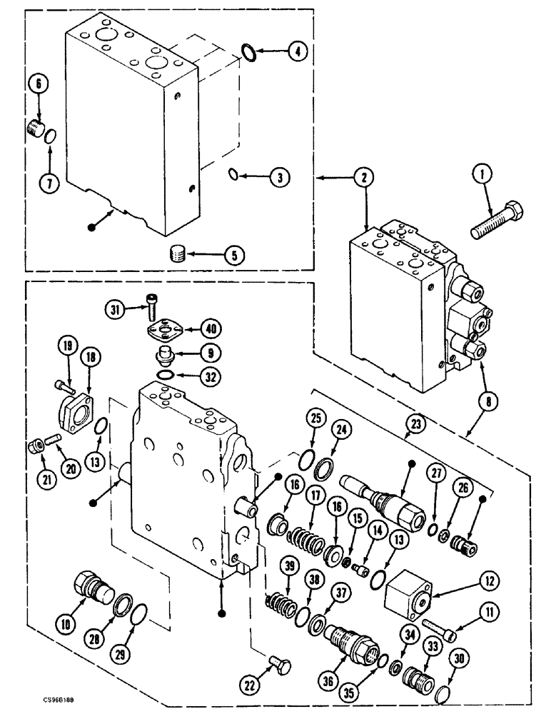
Запчасти Case 688BCK (8E-32) - CONTROL VALVE - HAMMER, 688B CK (120301-120...) (07) - HYDRAULIC SYSTEM

Схема запчастей Case 688BCK - (8E-32) - CONTROL VALVE - HAMMER, 688B CK (120301-120...) (07) - HYDRAULIC SYSTEM
27
30
16
33
25
26
13
5
24
14
7
1
37
16
18
22
15
17
21
3
12
28
29
2
40
36
39
38
19
4
13
35
23
32
10
11
31
6
20
8
34
9
FIT
1:1
100%

Артикул

Название

Примечание

Количество

1

S1232977

SCREW

M16 x 90 10.9

3шт.

2

X3143638

LARGE PLATE

PLATE, LARGE

1шт.

3

U2230466

O-RING,0.07" Thk x 0.489" ID, -14, Cl 6, 90 Duro

1.8 x 12.5

1шт.

4

V2230467

O-RING,0.103" Thk x 1.11" ID, -122, Cl 5, 75 Duro

2.65 x 28

4шт.

5

M3037414

PLUG

1шт.

6

E737453

PLUG

1шт.

7

R645050

HOLE PLUG BUTTON

PASTILLE

1шт.

8

X3343692

DISTRIBUTOR

CONTROL VALVE

1шт.

9

W5327832

BLANK-OFF PLUG

PN400DN19

1шт.

10

D3037406

PLUG

2шт.

11

931527R1

HEX SOC SCREW,M8 x 65mm, Cl 10.9

2шт.

12

F2340462

CAP

1шт.

13

S2230464

O-RING

2.65 x 38.7

2шт.

14

K1432932

SCREW,Hex, M8 x 10, 10.9

2шт.

15

V1945382

WASHER

1шт.

16

S7646228

CUPEL

2шт.

17

A38295

SPRING

1шт.

18

N3240436

CAP

1шт.

19

Q732909

BOLT,Hex, M8 x 25, 8.8

2шт.

20

W3333042

STUD

1шт.

21

Q2434541

NUT

1шт.

22

C3037405

PLUG

1шт.

23

L3143696

SHOCK ABSORBER

1шт.

24

N1245232

RING

BUSHING

1шт.

25

R2230463

O-RING,0.103" Thk x 0.987" ID, -120, Cl 5, 75 Duro

2.65 x 25

1шт.

26

M1245231

BACK-UP RING

1шт.

27

Q2230462

O-RING,0.103" Thk x 0.549" ID, -113, Cl 6, 90 Duro

2.65 x 14

1шт.

28

N1245232

RING

BUSHING

2шт.

29

R2230463

O-RING,0.103" Thk x 0.987" ID, -120, Cl 5, 75 Duro

2.65 x 25

2шт.

30

E2340461

BLANK-OFF PLUG

1шт.

31

14420331

HEX SOC SCREW,M10 x 1.5 x 35mm, Cl 10.9, Full Thd

4шт.

32

L1130483

O-RING

3.53 x 24.99

1шт.

33

G3143669

SPARE PART SET

1шт.

34

M1245231

BACK-UP RING

1шт.

35

Q2230462

O-RING,0.103" Thk x 0.549" ID, -113, Cl 6, 90 Duro

2.65 x 14

1шт.

36

D2340460

CAP

1шт.

37

N1245232

RING

BUSHING

1шт.

38

R2230463

O-RING,0.103" Thk x 0.987" ID, -120, Cl 5, 75 Duro

2.65 x 25

1шт.

39

A2838177

SPRING

1шт.

40

R4024256

SHIN

FIXING BRACKET

1шт.

Выбрано товаров: 40