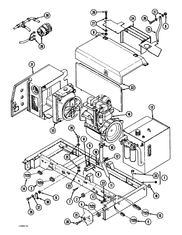
Запчасти Case 688BCK (9B-02) - ENGINE MODULE, 688B CK(120301-) (05.1) - UPPERSTRUCTURE CHASSIS/ATTACHMENTS

Схема запчастей Case 688BCK - (9B-02) - ENGINE MODULE, 688B CK(120301-) (05.1) - UPPERSTRUCTURE CHASSIS/ATTACHMENTS
24
17
18
27
22
23
9
3
9
10
26
21
18
33
30
29
8
1
7
26
11
26
15
27
28
13
27
9
9
32
22
21
12
20
31
16
5
14
4
25
2
20
6
FIT
1:1
100%

Артикул

Название

Примечание

Количество

1

T2054975

CHASSIS

1шт.

2

K41478

GROMMET

DIA. 51

5шт.

3

B1303158

PROTECTOR

90115 ORDER LENGTH: 290MM

1шт.

4

E1303161

GROMMET

90115 ORDER LENGTH: 205MM

1шт.

5

B1303158

PROTECTOR

90115 ORDER LENGTH: 205MM

1шт.

6

W3226184

SUPPORT

1шт.

7

43140

BOLT,Hex, M10 x 1.5 x 30mm, Cl 8.8

1шт.

8

W35003

WASHER

M10 N

1шт.

9

G34598

SAFETY NUT

M10

11шт.

10

Q36998

COLLAR CLAMP

25-40MM

1шт.

11

A31901

HYDRAULIC HOSE

90115 ORDER LENGTH: 500MM

1шт.

12

N51946

CLAMP

COLLAR 258MM

1шт.

13

REF

INSTRUCTION

RESERVOIR SEE FIGURE: 8A-2

1шт.

14

B1303158

PROTECTOR

GROMMET, 90115 ORDER LENGTH: 240MM

1шт.

15

B1303158

PROTECTOR

GROMMET, 90115 ORDER LENGTH: 396MM

1шт.

16

REF

INSTRUCTION

MOTOR SEE FIGURE: 2-2

1шт.

17

H5428789

WASHER

21 x 7 x 35

2шт.

18

W3237454

PLASTIC PLUG

BLANK-OFF F18

1шт.

19

G3036926

BASE

1шт.

20

11125221

BOLT,Hex, M20 x 75, 8.8

6шт.

21

K4328747

WASHER

21 x 14 x 35

12шт.

22

Q134564

SAFETY NUT

M20

6шт.

23

F35448

RIVET,8mm OD x 18mm L

M8

4шт.

23

F35471

RIVET

M10

2шт.

24

Z9043898

DEFLECTOR

1шт.

25

X1730518

STIFFENER

REINFORCEMENT

2шт.

26

120112

BOLT,Hex, M10 x 1.5 x 40mm, Cl 8.8, Full Thd

10шт.

27

W3528795

WASHER

10.25 x 7 x 25

20шт.

28

REF

INSTRUCTION

CIRCUIT SEE FIGURE: 8B-4 - 8B-10

1шт.

29

REF

INSTRUCTION

CIRCUIT SEE FIGURE: 4-16

1шт.

30

W926460

SUPPORT

2шт.

31

REF

INSTRUCTION

CABINET SEE FIGURE: 9B-8

1шт.

32

REF

INSTRUCTION

COWL SEE FIGURE: 9B-4

1шт.

33

REF

INSTRUCTION

CIRCUIT SEE FIGURE: 2-8

1шт.

Выбрано товаров: 34