Запчасти Case 688BCK (9B-08) - SUCTION BOX, 688B CK (120301-) (05.1) - UPPERSTRUCTURE CHASSIS/ATTACHMENTS

Схема запчастей Case 688BCK - (9B-08) - SUCTION BOX, 688B CK (120301-) (05.1) - UPPERSTRUCTURE CHASSIS/ATTACHMENTS
32
4
12
40
10
14
19
11
31
20
16
3
25
29
33
37
24
22
34
35
28
4
2
38
36
27
13
17
7
8
5
1
15
18
39
9
21
30
23
6
26
FIT
1:1
100%

Артикул

Название

Примечание

Количество

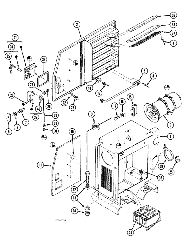
1

J9043838

CASING

1шт.

2

K9043839

DOOR

1шт.

3

X1303155

PROFILE

SEAL, 90131 ORDER LENGTH: 1310MM

1шт.

4

X35418

RIVET

26шт.

5

G1136620

STAND

1шт.

6

REF

INSTRUCTION

FILTER SEE FIGURE: 2-4

1шт.

7

M1352066

CATCH PLATE

1шт.

8

X34613

WASHER

M12 U

1шт.

9

P7022787

LARGE PLATE

PLATE, LARGE FLAT IRON

1шт.

10

K3036998

CLIP,ELECTRICAL

3шт.

11

E4741408

FOAM

INSULATION

1шт.

12

374890

BOLT,Hex, M20 x 2.5 x 60mm, Cl 8.8, Full Thd

4шт.

13

H5428789

WASHER

21 x 7 x 35

8шт.

14

Q134564

SAFETY NUT

M20

4шт.

15

M7928272

HINGE

2шт.

16

V3528794

WASHER

8.25 x 6 x 20

4шт.

17

43127

BOLT,Hex, M8 x 1.25 x 25mm, Cl 8.8

4шт.

18

N1736995

FASTENER

1шт.

19

S35413

RIVET

1шт.

20

P2631351

STEM

1шт.

21

W1352098

HANDLE

1шт.

22

U35001

WASHER

M6 N

4шт.

23

86977786

BOLT,Hex, M6 x 1 x 25mm, Cl 8.8

M6 x 12

4шт.

24

REF

INSTRUCTION

BATTERY SEE FIGURE: 4-28

1шт.

25

G3036926

BASE

1шт.

26

V336923

CLAMP

COLLAR 117MM

1шт.

27

V3528794

WASHER

8.25 x 6 x 20

2шт.

28

A134596

SAFETY NUT

M8

2шт.

29

P32411

SCREW,Cross, M8 x 45, 10.9

2шт.

30

825-1404

NUT,M4, Cl 8

2шт.

31

L3034538

NUT

M4

1шт.

32

F4741409

FOAM

INSULATION

1шт.

33

G4741410

FOAM

INSULATION

6шт.

34

F1652003

LOCK, CYLINDER

LOCK-CYLINDER

1шт.

35

G1652004

SET OF 2 KEYS

1шт.

36

C9646018

GASKET,1mm Thk

1шт.

37

A2724465

LARGE PLATE

PLATE, LARGE SHEET

6шт.

38

K3441407

GROMMET

2шт.

39

D1352081

LOCK ASSY

1шт.

40

T3836946

CLIP,ELECTRICAL

1шт.

Выбрано товаров: 40