Запчасти Case 688BCK (2-06) - EXHAUST, 688 CK (120301-) (01) - ENGINE

Схема запчастей Case 688BCK - (2-06) - EXHAUST, 688 CK (120301-) (01) - ENGINE
7
11
13
19
3
4
7
15
18
4
4
14
6
2
16
13
1
10
9
9
17
5
12
12
8
FIT
1:1
100%

Артикул

Название

Примечание

Количество

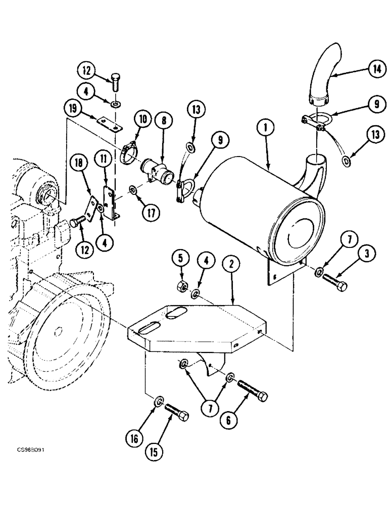
1

A4841408

MUFFLER

1шт.

2

E7928288

SUPPORT

1шт.

3

120112

BOLT,Hex, M10 x 1.5 x 40mm, Cl 8.8, Full Thd

2шт.

4

W3528795

WASHER

10.25 x 7 x 25

6шт.

5

100016

NUT,M10 x 1.5, Cl 8

2шт.

6

120113

BOLT,Hex, M10 x 1.5 x 50mm, Cl 8.8, Full Thd

2шт.

7

N4328796

WASHER

10.25 x 7 x 20

4шт.

8

J7946209

ADAPTER

MANIFOLD

1шт.

9

P3036956

CLAMP

COLLAR

2шт.

10

H3036950

CLAMP

COLLAR

1шт.

11

U5125614

PLATE

FLAT IRON

1шт.

12

9706704

BOLT,Hex, M10 x 1.5 x 41.58mm, Cl 8.8

4шт.

13

715853R1

RING

M8 N

4шт.

14

L3950122

TUBE

1шт.

15

9706687

BOLT,M12 x 1.75 x 30mm, Cl 8.8

2шт.

16

U3528793

WASHER

12.25 x 8 x 30

2шт.

17

W35003

WASHER

M10 N

2шт.

18

Q3522878

LARGE PLATE

PLATE, LARGE BRAKE

1шт.

19

P3522877

LARGE PLATE

PLATE, LARGE BRAKE

1шт.

Выбрано товаров: 19