Запчасти Case 688BCK (9D-14) - OPERATORS COMPARTMENT, 688B CK (120301-120340) (05.1) - UPPERSTRUCTURE CHASSIS/ATTACHMENTS

Схема запчастей Case 688BCK - (9D-14) - OPERATORS COMPARTMENT, 688B CK (120301-120340) (05.1) - UPPERSTRUCTURE CHASSIS/ATTACHMENTS
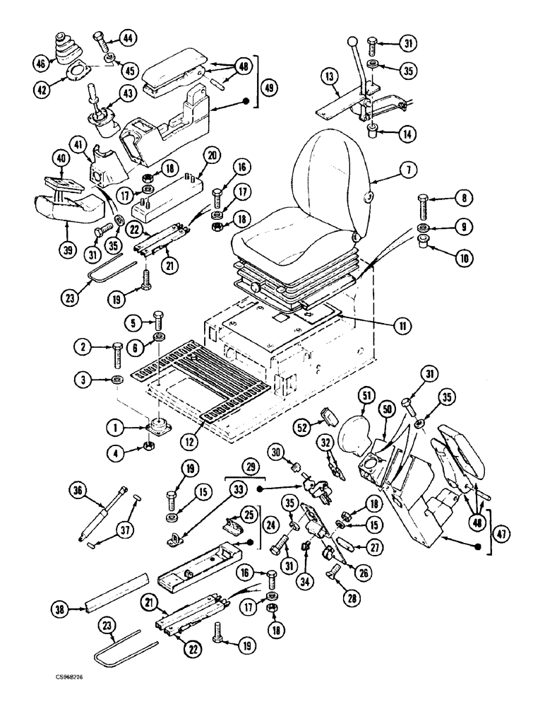
23
14
52
51
48
22
49
3
18
46
38
1
2
23
45
18
16
31
16
48
31
31
4
34
44
31
15
28
15
30
50
43
35
35
11
19
41
39
40
12
22
8
17
42
47
20
13
17
6
18
25
21
32
9
26
19
19
10
35
27
29
35
24
7
36
21
5
37
17
18
33
FIT
1:1
100%

Артикул

Название

Примечание

Количество

1

M4441449

SUPPORT

4шт.

2

J1133839

SCREW

M10 x 45 x 45

8шт.

3

W3528795

WASHER

10.25 x 7 x 25

8шт.

4

G34598

SAFETY NUT

M10

8шт.

5

86629541

BOLT,Hex, M12 x 1.75 x 40mm, Cl 8.8

4шт.

6

U3528793

WASHER

12.25 x 8 x 30

4шт.

7

REF

INSTRUCTION

SEAT SEE FIGURE: 9D-34

1шт.

8

L32923

SCREW

M8 x 30

4шт.

9

M128719

BUSHING

WASHER

4шт.

10

F35448

RIVET,8mm OD x 18mm L

M8

4шт.

11

H4641499

MAT

1шт.

12

G4641498

MAT

1шт.

13

REF

INSTRUCTION

LEVER SEE FIGURE: 9D-32

1шт.

14

F35425

RIVET

M6

2шт.

15

715853R1

RING

M8 N

10шт.

16

Q732909

BOLT,Hex, M8 x 25, 8.8

8шт.

17

V3528794

WASHER

8.25 x 6 x 20

12шт.

18

A134596

SAFETY NUT

M8

14шт.

19

H32920

SCREW

M8 x 16

10шт.

20

N2838166

CASE

1шт.

21

W7647198

SLIDE

2шт.

22

V7647197

SLIDE

2шт.

23

P7747103

HANDLE

2шт.

24

L3054916

CASE

1шт.

25

A736667

HINGE

1шт.

26

P3226292

LARGE PLATE

PLATE, LARGE SUPPORT

1шт.

27

U3723166

LARGE PLATE

PLATE, LARGE FLAT IRON

1шт.

28

N32465

HEX SOC SCREW,M10 x 25mm, Cl 10.9

2шт.

29

Z1652020

ASSEMBLY

MECHANISM

1шт.

30

U4741422

HANDLE

1шт.

31

86977786

BOLT,Hex, M6 x 1 x 25mm, Cl 8.8

10шт.

31

120101

BOLT,Hex, M6 x 1 x 30mm, Cl 8.8

8шт.

32

F3526135

LARGE PLATE

PLATE, LARGE

2шт.

33

C1352057

CATCH PLATE

1шт.

34

N741463

STOP

2шт.

35

U35001

WASHER

M6 N

10шт.

35

B3528799

WASHER

6.25 x 4 x 15

8шт.

36

G1436931

GAS STRUT

1шт.

37

W35739

SPLIT PIN/SAFETY PIN

2шт.

38

X303161

GASKET

90318 ORDER LENGTH: 345MM

1шт.

39

Q4143280

CASE

1шт.

40

REF

INSTRUCTION

CIRCUIT SEE FIGURE: 4-4 - 4-12

1шт.

41

K8028228

COVER

SHEET

1шт.

42

R3240462

COLLAR,STEPPED

2шт.

43

REF

INSTRUCTION

CIRCUIT SEE FIGURE: 8D-2, 8D-4

1шт.

44

86977789

BOLT,Hex, M6 x 1.0 x 35mm, Cl 8.8

8шт.

45

B3528799

WASHER

6.25 x 4 x 15

8шт.

46

D3240450

BELLOWS

2шт.

47

R4143281

SUPPORT

1шт.

48

T4143260

SUPPORT

ARM REST

1шт.

49

S4143282

SUPPORT

1шт.

50

L8028229

COVER

SHEET

1шт.

51

Q4143257

GRAB RAIL

1шт.

52

Q3743287

ASH TRAY

1шт.

Выбрано товаров: 54