Запчасти Case 688BCK (9D-22) - OPERATORS COMPARTMENT, 688B CK (120535, 120548, 120566-) (05.1) - UPPERSTRUCTURE CHASSIS/ATTACHMENTS

Схема запчастей Case 688BCK - (9D-22) - OPERATORS COMPARTMENT, 688B CK (120535, 120548, 120566-) (05.1) - UPPERSTRUCTURE CHASSIS/ATTACHMENTS
26
6
50
57
8
19
45
46
5
30
13
52
16
22
18
48
51
52
22
37
2
21
15
32
18
15
42
49
1
33
17
11
54
20
43
19
47
6
38
50
31
27
9
5
55
17
40
56
10
31
31
35
38
28
4
35
49
35
19
2
51
17
25
3
3
1
18
35
24
34
18
31
39
23
53
16
14
23
41
7
44
29
12
21
FIT
1:1
100%

Артикул

Название

Примечание

Количество

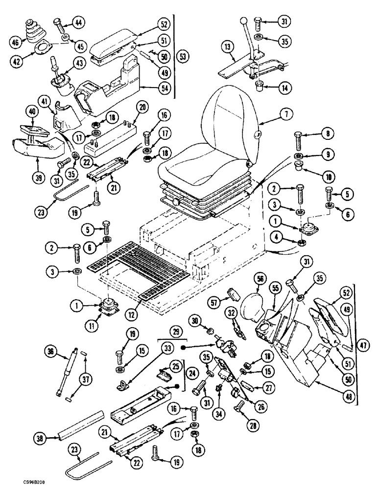
1

M4441449

SUPPORT

4шт.

2

120112

BOLT,Hex, M10 x 1.5 x 40mm, Cl 8.8, Full Thd

8шт.

3

N4328796

WASHER

10.25 x 7 x 20

8шт.

4

G34598

SAFETY NUT

M10

4шт.

5

86629541

BOLT,Hex, M12 x 1.75 x 40mm, Cl 8.8

4шт.

6

U3528793

WASHER

12.25 x 8 x 30

4шт.

7

REF

INSTRUCTION

SEAT SEE FIGURE: 9D-36

1шт.

8

NLS

NO LONGER SERVICED

M8 x 30

4шт.

9

V3528794

WASHER

8.25 x 6 x 20

8шт.

10

F35448

RIVET,8mm OD x 18mm L

M8

4шт.

11

N2322989

LARGE PLATE

PLATE, LARGE

2шт.

12

H4841438

MAT

1шт.

13

REF

INSTRUCTION

LEVER SEE FIGURE: 9D-32

1шт.

14

F35425

RIVET

M6

2шт.

15

715853R1

RING

M8 N

10шт.

16

Q732909

BOLT,Hex, M8 x 25, 8.8

8шт.

17

V3528794

WASHER

8.25 x 6 x 20

12шт.

18

A134596

SAFETY NUT

M8

14шт.

19

H32920

SCREW

M8 x 16

10шт.

20

N2838166

CASE

1шт.

21

W7647198

SLIDE

2шт.

22

V7647197

SLIDE

2шт.

23

P7747103

HANDLE

2шт.

24

L3054916

CASE

1шт.

25

A736667

HINGE

1шт.

26

P3226292

LARGE PLATE

PLATE, LARGE SUPPORT

1шт.

27

U3723166

LARGE PLATE

PLATE, LARGE FLAT IRON

1шт.

28

N32465

HEX SOC SCREW,M10 x 25mm, Cl 10.9

2шт.

29

Z1652020

ASSEMBLY

MECHANISM

1шт.

30

X4841452

END FITTING

HANDLE

1шт.

31

86977786

BOLT,Hex, M6 x 1 x 25mm, Cl 8.8

10шт.

31

120101

BOLT,Hex, M6 x 1 x 30mm, Cl 8.8

8шт.

32

F3526135

LARGE PLATE

PLATE, LARGE

2шт.

33

C1352057

CATCH PLATE

1шт.

34

N741463

STOP

2шт.

35

U35001

WASHER

M6 N

10шт.

35

B3528799

WASHER

6.25 x 4 x 15

8шт.

36

G1436931

GAS STRUT

1шт.

37

W35739

SPLIT PIN/SAFETY PIN

2шт.

38

X303161

GASKET

90318 ORDER LENGTH: 345MM

1шт.

39

G4243230

CASE

1шт.

40

REF

INSTRUCTION

CIRCUIT SEE FIGURE: 4-4 - 4-12

1шт.

41

C8228252

COVER

SHEET

1шт.

42

R3240462

COLLAR,STEPPED

2шт.

43

REF

INSTRUCTION

CIRCUIT SEE FIGURE: 8D-2, 8D-4

1шт.

44

86977789

BOLT,Hex, M6 x 1.0 x 35mm, Cl 8.8

8шт.

45

B3528799

WASHER

6.25 x 4 x 15

8шт.

46

U4741445

BELLOWS

2шт.

47

E4243228

SUPPORT

1шт.

48

L8228260

SUPPORT

1шт.

49

L6527801

PIN

1шт.

50

P35732

SPLIT PIN/SAFETY PIN

1шт.

51

R4243239

SUPPORT

1шт.

52

Q4243238

ARMREST

1шт.

53

F4243229

SUPPORT

1шт.

54

K8228259

SUPPORT

1шт.

55

D8228253

COVER

SHEET

1шт.

56

D4641495

GRAB RAIL

1шт.

57

Q3743287

ASH TRAY

1шт.

Выбрано товаров: 59