Запчасти Case 688BCK (9D-28) - CAB AIR CONDITIONING - OPERATORS COMPARTMENT, 688B CK (120301-) (05.1) - UPPERSTRUCTURE CHASSIS/ATTACHMENTS

Схема запчастей Case 688BCK - (9D-28) - CAB AIR CONDITIONING - OPERATORS COMPARTMENT, 688B CK (120301-) (05.1) - UPPERSTRUCTURE CHASSIS/ATTACHMENTS
1
15
13
19
8
17
26
12
7
5
18
4
13
18
14
8
17
8
12
20
3
19
10
6
11
8
16
13
22
21
23
25
27
9
7
24
2
FIT
1:1
100%

Артикул

Название

Примечание

Количество

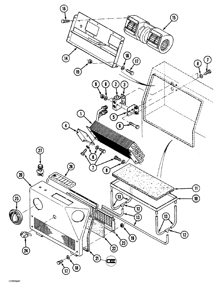
1

U4243219

EVAPORATOR

1шт.

2

Z5243309

ASSEMBLY

EXPANSION VALVE

1шт.

3

A9846047

GASKET

1шт.

4

V3522883

LARGE PLATE

PLATE, LARGE SUPPORT

1шт.

5

D5725623

SUPPORT

1шт.

6

86977789

BOLT,Hex, M6 x 1.0 x 35mm, Cl 8.8

2шт.

7

86508568

BOLT,Hex, M6 x 1 x 16mm, Cl 8.8

6шт.

8

U35001

WASHER

M6 N

8шт.

9

F234513

SAFETY NUT

M6

2шт.

10

B8128270

CONTAINER

1шт.

11

S2950571

FOAM

SPONGE

1шт.

12

H1237292

FITTING

T PIECE

2шт.

13

X1103676

PIPE

90317 ORDER LENGTH: 1500MM

1шт.

14

A8128269

SUPPORT

1шт.

15

F2341888

BLOWER,Assembly, Air Conditioning

FAN

1шт.

16

A132411

SCREW

M5 x 12

8шт.

17

86050276

BOLT,Hex, M5 x 16mm, Cl 8.8, Full Thd

8шт.

18

P34605

WASHER

M5 U

8шт.

19

V834574

SAFETY NUT

M5

8шт.

20

X8128267

HOUSING

COWL, 90317 688B CK (120301-120534, 120536-120547, 120549-120565)

1шт.

20

M8228261

DOOR

COWL, 90317 688B CK (120535, 120548, 120566-)

1шт.

21

N4441427

GASKET

1шт.

22

M2950566

FOAM

FILTER

1шт.

23

Z8128268

SUPPORT

FRAME

1шт.

24

B1352056

BUTTON

1шт.

25

E4243205

DIFFUSER

2шт.

26

F4243206

DIFFUSER

1шт.

27

REF

INSTRUCTION

CIRCUIT, 90317 SEE FIGURE: 4-46

1шт.

Выбрано товаров: 28