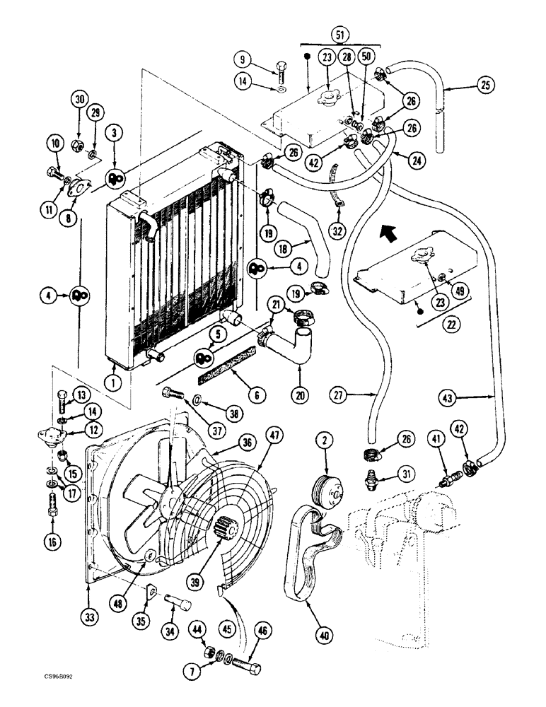
Запчасти Case 688BCK (2-08) - COOLING SYSTEM, 688B CK (120301-) (01) - ENGINE

Схема запчастей Case 688BCK - (2-08) - COOLING SYSTEM, 688B CK (120301-) (01) - ENGINE
6
24
11
19
28
9
15
23
46
38
16
37
17
34
2
7
22
3
31
33
20
1
25
45
12
8
42
26
21
10
14
42
49
4
51
35
30
26
29
40
41
13
19
4
39
5
14
36
44
23
27
50
18
47
43
26
32
26
48
FIT
1:1
100%

Артикул

Название

Примечание

Количество

1

REF

INSTRUCTION

RADIATOR SEE FIGURE: 2-12

1шт.

2

A1538585

PULLEY

1шт.

3

E4441419

PROFILE

SEAL, 20311 ORDER LENGTH: 337MM

1шт.

4

E4441419

PROFILE

SEAL

2шт.

ORDER LENGTH: 609MM

1шт.

5

E4441419

PROFILE

SEAL, 20311 ORDER LENGTH: 561MM

1шт.

6

A403144

GASKET

20311 ORDER LENGTH: 710MM

1шт.

7

715853R1

RING

M8 N

3шт.

8

Z3841459

ELEC. TERMINAL PIN

RUBBER BLOCK

2шт.

9

120104

BOLT,Hex, M8 x 1.25 x 20mm, Cl 8.8

4шт.

10

120100

BOLT,M6 x 20mm, Cl 8.8

2шт.

11

B3528799

WASHER

6.25 x 4 x 15

2шт.

12

V2241484

ISOLATOR,69mm OD x 47mm L

2шт.

13

43128

BOLT,M8 x 1.25 x 30mm, Cl 8.8

6шт.

14

V3528794

WASHER

8.25 x 6 x 20

6шт.

15

A134596

SAFETY NUT

M8

6шт.

16

814-10075

BOLT,Hex, M10 x 1.5 x 75mm, Cl 8.8

2шт.

17

W3528795

WASHER

10.25 x 7 x 25

4шт.

18

R7831929

HOSE,44.50 mm ID x 280.00 mm, SAE 20R4 Class D1

1шт.

19

W36935

COLLAR CLAMP

2шт.

20

S7831930

HOSE,54..50 mm ID, 60.50 mm ID , SAE 20R4

1шт.

21

G136902

COLLAR CLAMP

2шт.

22

R2440246

RESERVOIR

20311 ORDER: V2440273 688B CK (120301-120604, 120607, 120608)

1шт.

23

L3937403

PLUG

1шт.

24

G1103638

HOSE,7.94 mm ID, SAE 30R6

1шт.

25

G1103638

HOSE,7.94 mm ID, SAE 30R6

1шт.

26

P36951

COLLAR

5шт.

27

G1103638

HOSE,7.94 mm ID, SAE 30R6

1шт.

28

U2445217

GASKET

32 x 26.3 x 2

1шт.

29

U35001

WASHER

M6 N

8шт.

30

F234513

SAFETY NUT

M6

4шт.

31

M5137544

FITTING

20311 REPLACE: J5837776, D1037349

1шт.

32

N51946

CLAMP

COLLAR 258MM

1шт.

33

H4540345

SHROUD

1шт.

34

J900227

BOLT,Hex, M8 x 1.25 x 22mm, Cl 10.9

8шт.

35

Z5123410

PLATE

FLAT IRON

8шт.

36

M3743238

FAN

VENTILATOR

1шт.

37

120075

BOLT,M10 x 1.5 x 106.58mm, Cl 8.8

4шт.

38

T5428776

WASHER

10.25 x 22 x 2.5

4шт.

39

R8946210

SPACER

1шт.

40

X938766

BELT

1шт.

41

Z4837543

FITTING

1шт.

42

P3836919

COLLAR CLAMP

20-35MM

1шт.

43

C3636

HOSE, BULK

HOSE, METERS 20311 ORDER LENGTH: 1050MM

1шт.

44

A134596

SAFETY NUT

M8

4шт.

45

V3528794

WASHER

8.25 x 6 x 20

4шт.

46

120106

BOLT,M8 x 1.25 x 45.45mm, Cl 8.8

4шт.

47

L2340490

PROTECTOR

1шт.

48

Q35020

WASHER

L8

1шт.

49

B2341884

INDICATOR

1шт.

50

P9846060

INDICATOR

SIGHTGLASS

1шт.

51

V2440273

RESERVOIR ASSY.

20311 688B CK(120605, 120606, 120609-)

1шт.

Выбрано товаров: 52