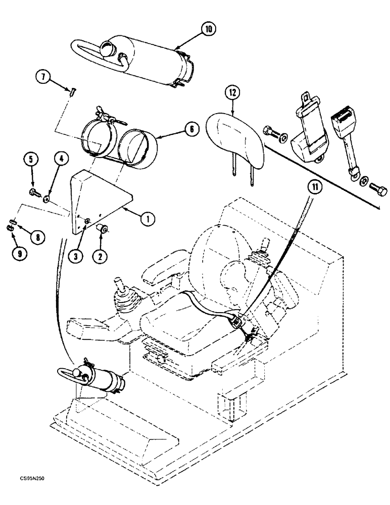
Запчасти Case 688BCK (9D-42) - OPERATORS COMPARTMENT - OPTIONAL, 688B CK (120535, 120548, 120566-) (05.1) - UPPERSTRUCTURE CHASSIS/ATTACHMENTS

Схема запчастей Case 688BCK - (9D-42) - OPERATORS COMPARTMENT - OPTIONAL, 688B CK (120535, 120548, 120566-) (05.1) - UPPERSTRUCTURE CHASSIS/ATTACHMENTS
3
2
10
5
9
6
12
8
1
7
4
11
FIT
1:1
100%

Артикул

Название

Примечание

Количество

1

G8328214

SUPPORT

1шт.

2

H35427

RIVET

M8

3шт.

3

T34609

WASHER

M8 U

3шт.

4

V3528794

WASHER

8.25 x 6 x 20

3шт.

5

43128

BOLT,M8 x 1.25 x 30mm, Cl 8.8

3шт.

6

V7928257

SUPPORT

1шт.

7

Z32452

SCREW

M6 x 20

2шт.

8

B3528799

WASHER

6.25 x 4 x 15

2шт.

9

F234513

SAFETY NUT

M6

2шт.

10

D4143269

FIRE EXTINGUISHER

1шт.

11

V3836948

SAFETY BELT

STEEL SKELETON

1шт.

12

A3054998

SEAT HEADREST

HEADREST

1шт.

Выбрано товаров: 12