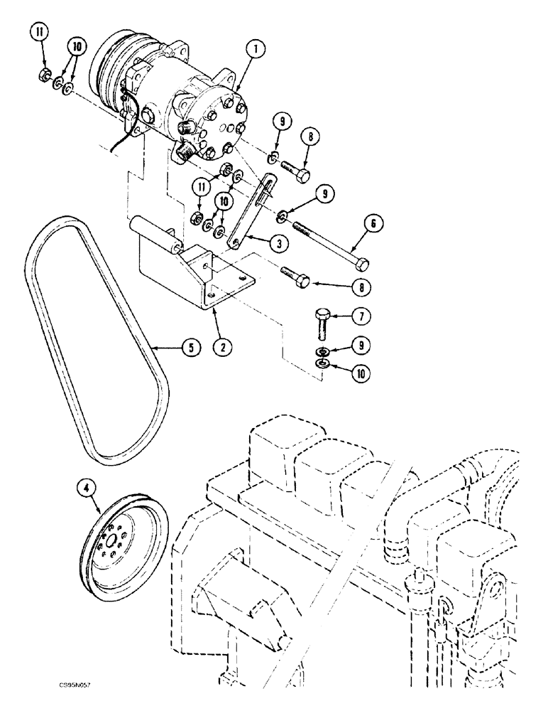
Запчасти Case 688BCK (2-14) - CAB AIR CONDITIONING - COMPRESSOR MOUNTING, 688B CK (120301-) (01) - ENGINE

Схема запчастей Case 688BCK - (2-14) - CAB AIR CONDITIONING - COMPRESSOR MOUNTING, 688B CK (120301-) (01) - ENGINE
2
8
9
9
1
8
4
11
9
6
10
3
7
10
5
10
11
FIT
1:1
100%

Артикул

Название

Примечание

Количество

1

U4743538

COMPRESSOR

1шт.

2

V8128265

SUPPORT

1шт.

3

E3522891

TENSIONER

2шт.

4

T2038507

PULLEY

1шт.

5

V938787

BELT

1шт.

6

86508575

BOLT,Hex, M10 x 130mm, Cl 8.8

1шт.

7

9706704

BOLT,Hex, M10 x 1.5 x 41.58mm, Cl 8.8

3шт.

8

43140

BOLT,Hex, M10 x 1.5 x 30mm, Cl 8.8

4шт.

9

E34711

WASHER

W 10

7шт.

10

W35003

WASHER

M10 N

10шт.

11

G34598

SAFETY NUT

M10

5шт.

Выбрано товаров: 11