Запчасти Case 688BCK (2-16) - CAB AIR CONDITIONING - AIR CIRCUIT, 688B CK (120301-) (01) - ENGINE

Схема запчастей Case 688BCK - (2-16) - CAB AIR CONDITIONING - AIR CIRCUIT, 688B CK (120301-) (01) - ENGINE
2
16
17
15
8
15
10
5
14
19
3
3
6
15
11
4
12
1
9
7
8
18
13
15
FIT
1:1
100%

Артикул

Название

Примечание

Количество

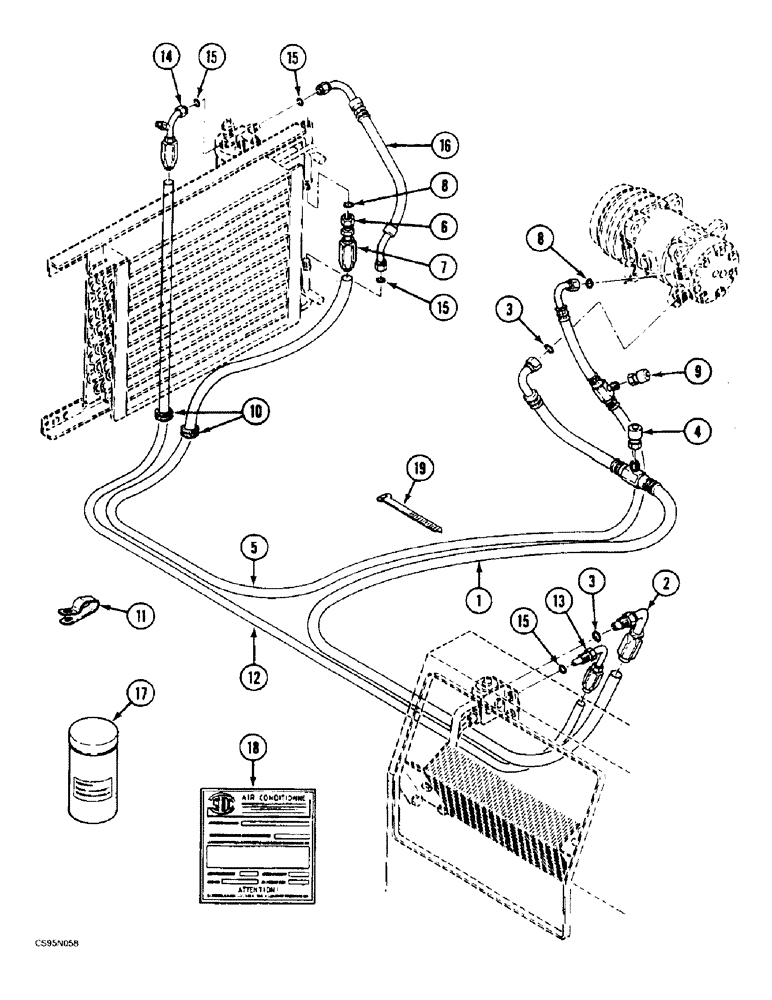
1

H8131933

HOSE

1шт.

2

S3937409

FITTING

1шт.

3

K730374

O-RING

2шт.

4

A5137533

MAKING-UP

TAPPING FITTING

1шт.

5

G8131932

HOSE

1шт.

6

R3937408

FITTING

1шт.

7

U3937411

FITTING

END

1шт.

8

J730373

O-RING

2шт.

9

Z5137532

MAKING-UP

TAPPING FITTING

1шт.

10

G4841437

GROMMET

2шт.

11

W3836949

CLAMP

COLLAR

3шт.

12

F8131931

HOSE

1шт.

13

B5137534

FITTING

1шт.

14

T3937410

FITTING

1шт.

15

H730372

O-RING

4шт.

16

N8131984

HOSE

1шт.

17

S1003276

LUBRICANT

1шт.

18

H3651510

ADHESIVE

1шт.

19

N51946

CLAMP

258MM

1шт.

Выбрано товаров: 0