Запчасти Case 688BCK (7-04) - UNDERCARRIAGE CIRCUIT - MONO-SPEED, 688B CK (120301-) (07.1) - UNDERCARRIAGE HYDRAULICS

Схема запчастей Case 688BCK - (7-04) - UNDERCARRIAGE CIRCUIT - MONO-SPEED, 688B CK (120301-) (07.1) - UNDERCARRIAGE HYDRAULICS
18
2
11
13
8
4
6
17
23
5
20
6
15
16
24
14
22
4
12
5
21
15
25
7
10
1
5
19
14
3
12
9
11
26
3
FIT
1:1
100%

Артикул

Название

Примечание

Количество

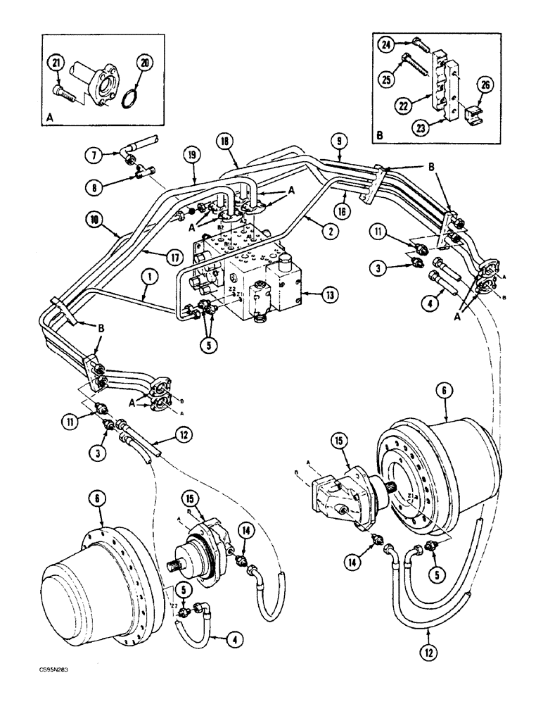
1

X6849099

PIPE

1шт.

2

R7849179

PIPE

1шт.

3

J3237534

UNION

2шт.

4

B6531955

HOSE

630MM

2шт.

5

E3237530

UNION

4шт.

R7046042

GASKET

11.5 x 16.5 x 1.5

1шт.

6

REF

INSTRUCTION

REDUCER SEE FIGURE: 6-4

2шт.

7

REF

INSTRUCTION

HOSE SEE FIGURE: 7-2

1шт.

8

D937276

TEE

PIECE

1шт.

9

V6849097

PIPE

1шт.

10

W6849098

PIPE

1шт.

11

L3237536

UNION

2шт.

12

J5431964

HOSE

630MM

2шт.

13

REF

INSTRUCTION

CONTROL VALVE SEE FIGURE: 7-10

1шт.

14

G3237532

UNION

2шт.

S2230418

GASKET

15.7 x 20.9 x 1.5

1шт.

15

REF

INSTRUCTION

TRAVEL HYD. MOTOR SEE FIGURE: 7-24

2шт.

16

S7849180

PIPE

1шт.

17

T7849181

PIPE

1шт.

18

U7849182

PIPE

1шт.

19

V7849183

PIPE

1шт.

20

L1130483

O-RING

3.53 x 24.99

8шт.

21

14420331

HEX SOC SCREW,M10 x 1.5 x 35mm, Cl 10.9, Full Thd

32шт.

22

A5220333

CLAMP

FIXING BRACKET

4шт.

23

B5220334

CLAMP

FIXING BRACKET

4шт.

24

J1133839

SCREW

M10 x 45 x 45

8шт.

25

N3333034

SCREW

M10 x 75

4шт.

26

X2434525

NUT

M10

4шт.

Выбрано товаров: 28