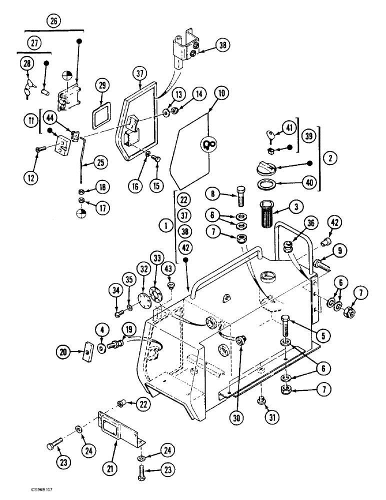
Запчасти Case 688BCK (3-08) - FUEL TANK, 688B CK (120535, 120606-) (02) - FUEL SYSTEM

Схема запчастей Case 688BCK - (3-08) - FUEL TANK, 688B CK (120535, 120606-) (02) - FUEL SYSTEM
43
23
12
13
27
17
6
24
30
4
16
11
35
44
6
28
9
36
18
26
33
29
7
19
42
34
39
2
20
7
37
22
14
1
8
31
40
24
6
38
5
37
7
42
38
32
41
15
25
21
3
22
23
10
FIT
1:1
100%

Артикул

Название

Примечание

Количество

1

R2440269

FUEL TANK

RESERVOIR

1шт.

2

K3737440

FILLER CAP

PLUG

1шт.

3

G50537

FILTER BOWL

1шт.

4

X34613

WASHER

M12 U

1шт.

5

11125221

BOLT,Hex, M20 x 75, 8.8

2шт.

6

H5428789

WASHER

21 x 7 x 35

10шт.

7

Q134564

SAFETY NUT

M20

5шт.

8

374890

BOLT,Hex, M20 x 2.5 x 60mm, Cl 8.8, Full Thd

1шт.

9

9847023

BOLT,Hex, M20 x 2.5 x 50mm, Cl 8.8, Full Thd

2шт.

10

X1303155

PROFILE

SEAL, 90131 ORDER LENGTH: 1650MM

1шт.

11

D1352081

LOCK ASSY

1шт.

12

P32411

SCREW,Cross, M8 x 45, 10.9

2шт.

13

V3528794

WASHER

8.25 x 6 x 20

2шт.

14

A134596

SAFETY NUT

M8

2шт.

15

86977786

BOLT,Hex, M6 x 1 x 25mm, Cl 8.8

M6 x 12

4шт.

16

U35001

WASHER

M6 N

4шт.

17

L3034538

NUT

M4

1шт.

18

825-1404

NUT,M4, Cl 8

1шт.

19

M1352066

CATCH PLATE

1шт.

20

P7022787

LARGE PLATE

PLATE, LARGE FLAT IRON

1шт.

21

P2825931

LARGE PLATE

PLATE, LARGE SHEET

1шт.

22

Z35419

RIVET

M10

2шт.

23

43140

BOLT,Hex, M10 x 1.5 x 30mm, Cl 8.8

4шт.

24

W3528795

WASHER

10.25 x 7 x 25

4шт.

25

K2631347

ROD

STEM

1шт.

26

W1352098

HANDLE

1шт.

27

F1652003

LOCK, CYLINDER

LOCK-CYLINDER

1шт.

28

G1652004

SET OF 2 KEYS

1шт.

29

C9646018

GASKET,1mm Thk

1шт.

30

E1437458

PLUG

1шт.

V5746063

GASKET

23.9 x 29.2 x 1.5

1шт.

31

J3337446

PLUG

2шт.

G1145268

GASKET

19.6 x 24.3 x 1.5

1шт.

32

P2323220

LARGE PLATE

PLATE, LARGE

1шт.

33

V9646058

SEAL, RUBBER

RUBBER SEAL

1шт.

34

J32530

SCREW,Sltd Fil Hd, M4 x 10

6шт.

35

M34603

WASHER

M4 U

6шт.

36

W3441418

GROMMET

1шт.

37

X9043851

DOOR

1шт.

38

J1136622

HINGE

2шт.

39

F1652003

LOCK, CYLINDER

LOCK-CYLINDER

1шт.

40

P8846020

SEAL

1шт.

41

G1652004

SET OF 2 KEYS

1шт.

42

F35425

RIVET

M6

3шт.

43

N3337427

PLASTIC PLUG

F9

3шт.

44

T3836946

CLIP,ELECTRICAL

1шт.

Выбрано товаров: 46