Запчасти Case 688BCK (3-12) - FUEL FILLING, 688B CK (120301-120534, 120536-120605) (02) - FUEL SYSTEM

Схема запчастей Case 688BCK - (3-12) - FUEL FILLING, 688B CK (120301-120534, 120536-120605) (02) - FUEL SYSTEM
5
7
1
6
4
9
19
27
3
10
16
14
13
24
13
21
13
6
21
10
3
22
17
25
6
7
13
26
18
11
23
4
2
8
9
20
12
15
FIT
1:1
100%

Артикул

Название

Примечание

Количество

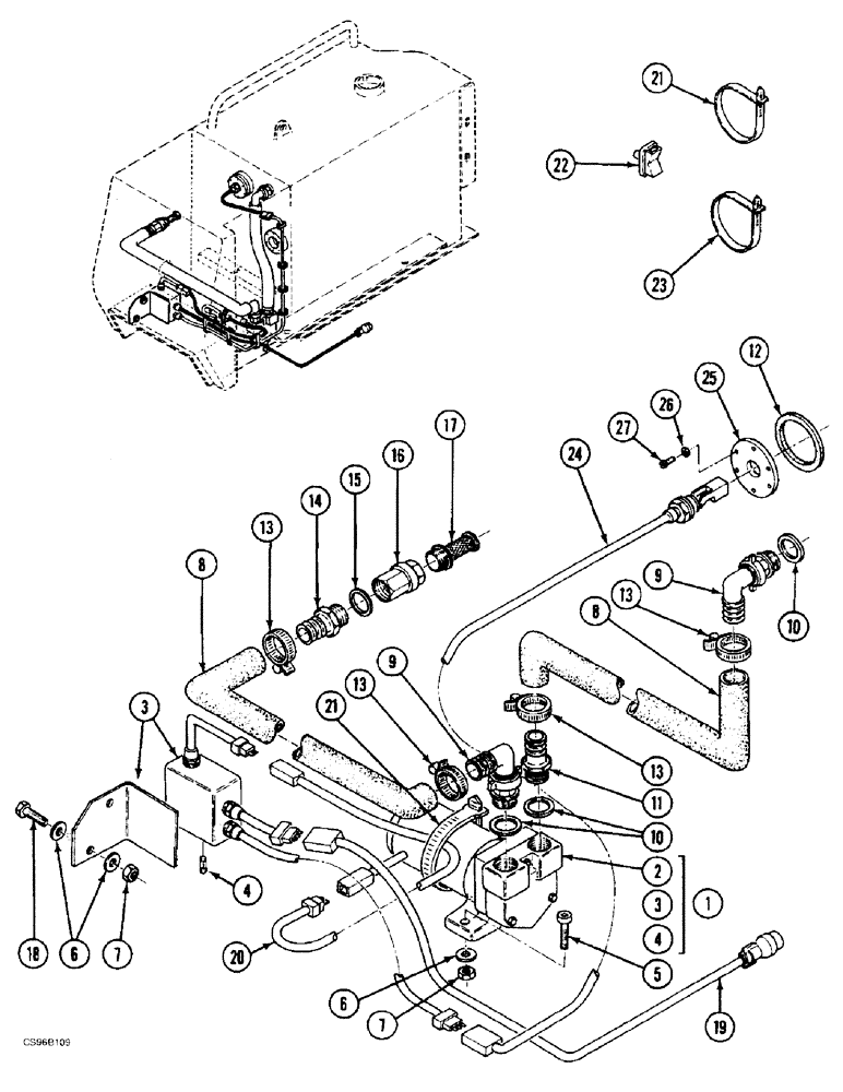
1

P4743510

PUMP

1шт.

2

B4743521

PUMP

1шт.

3

L1340772

CASE

1шт.

4

P2141267

FUSE

1шт.

5

T832916

SCREW,Hex, M10 x 40mm, Cl 10.9

2шт.

6

W3528795

WASHER

10.25 x 7 x 25

6шт.

7

G34598

SAFETY NUT

M10

4шт.

8

E8231911

LARGE HOSE

HOSE,LARGE 5000MM, 30315 REPLACE: R1103670

1шт.

9

H5037582

FITTING

2шт.

10

U9646080

GASKET

3шт.

11

G5037581

FITTING

1шт.

12

V9646058

SEAL, RUBBER

RUBBER SEAL

1шт.

13

Q36998

COLLAR CLAMP

25-40MM

4шт.

14

G5037581

FITTING

1шт.

15

U9646080

GASKET

1шт.

16

V8846279

VALVE POPPET

1шт.

17

W8846280

STRAINER ASSY.

1шт.

18

9706704

BOLT,Hex, M10 x 1.5 x 41.58mm, Cl 8.8

2шт.

19

L2052208

HARNESS

CABLE

1шт.

20

J4143274

HARNESS

CABLE

1шт.

21

N51946

CLAMP

COLLAR 258MM

1шт.

22

G3036926

BASE

1шт.

23

V336923

CLAMP

COLLAR 117MM

1шт.

24

J2341868

PROBE

1шт.

25

Q2323221

LARGE PLATE

PLATE, LARGE

1шт.

26

M34603

WASHER

M4 U

6шт.

27

J32530

SCREW,Sltd Fil Hd, M4 x 10

6шт.

Выбрано товаров: 27