Запчасти Case 688BCK (5-04) - UNDERCARRIAGE, 688B CK (120347-) (04) - UNDERCARRIAGE

Схема запчастей Case 688BCK - (5-04) - UNDERCARRIAGE, 688B CK (120347-) (04) - UNDERCARRIAGE
30
13
33
22
6
11
14
34
28
23
27
10
38
32
9
15
20
16
17
5
37
35
26
7
18
36
12
4
31
17
2
19
8
25
1
17
21
9
3
29
24
27
FIT
1:1
100%

Артикул

Название

Примечание

Количество

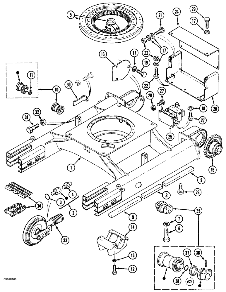
1

R3154925

CHASSIS

1шт.

2

W2643387

VALVE POPPET

2шт.

3

G1145268

GASKET

19.6 x 24.3 x 1.5

1шт.

4

J45801

LUBE NIPPLE,M8 x 1.25

1шт.

5

REF

INSTRUCTION

SLEWING RING SEE FIGURE: 9A-2

1шт.

6

P1133890

SCREW

M16 x 110 10.9

56шт.

7

E4628731

WASHER

16.5 x 6 x 30

56шт.

8

D4420350

PLATE,SMALL SQUARE

4шт.

9

H5320321

PLATE,SMALL SQUARE

8шт.

10

J2242301

ROLLER, TRACK

PULLEY

2шт.

11

D8846056

SET OF GASKET

SET OF JOINTS BOX

1шт.

12

A233841

SCREW

M16 x 70 10.9

8шт.

13

E4628731

WASHER

16.5 x 6 x 30

8шт.

14

V8128219

GUIDE

2шт.

15

REF

INSTRUCTION

REDUCER, SEE FIGURE: 6-2

2шт.

16

S3322573

COWL

2шт.

17

W3528795

WASHER

10.25 x 7 x 25

16шт.

18

U3528793

WASHER

12.25 x 8 x 30

1шт.

19

43144

BOLT,Hex, M10 x 70mm, Cl 8.8

6шт.

20

H1726410

PROTECTOR

GUARD

1шт.

21

614-10060

BOLT,Hex, M10 x 1.5 x 60mm, Cl 8.8, Full Thd

2шт.

22

614-10080

BOLT,Hex, M10 x 1.5 x 80mm, Cl 8.8, Full Thd

2шт.

23

G34598

SAFETY NUT

M10

4шт.

24

D5625688

LARGE PLATE

PLATE, LARGE SHEET

1шт.

25

REF

INSTRUCTION

CONTROL VALVE SEE FIGURE: 7-10, 7-12

1шт.

26

43168

BOLT,Hex, M16 x 40mm, Cl 8.8

8шт.

27

300389

BOLT,M12 x 1.75 x 35mm, Cl 8.8

3шт.

28

E34596

SAFETY NUT

M12

2шт.

29

120112

BOLT,Hex, M10 x 1.5 x 40mm, Cl 8.8, Full Thd

4шт.

30

REF

INSTRUCTION

STEP SEE FIGURE: 5-12

2шт.

31

V833815

SCREW

M24 x 120

2шт.

32

S134566

SAFETY NUT

M24

2шт.

33

REF

INSTRUCTION

PULLEY SEE FIGURE: 5-10

1шт.

34

REF

INSTRUCTION

TRACK SEE FIGURE: 5-6

2шт.

35

F2042382

ROLLER, TRACK

PULLEY

14шт.

36

S435751

SPLIT PIN/SAFETY PIN

2шт.

37

J9346012

SET OF GASKET

SET OF JOINTS SEAL (ASSY.)

2шт.

38

F930470

O-RING,0.139" Thk x 1.734" ID, -224, Cl 6, 90 Duro

3.53 x 44.04

2шт.

Выбрано товаров: 38