Запчасти Case 688BCK (5-06) - TRACK (D4R), 688B CK (120301-120597, 120599, 120600, 120602, 120603) (04) - UNDERCARRIAGE

Схема запчастей Case 688BCK - (5-06) - TRACK (D4R), 688B CK (120301-120597, 120599, 120600, 120602, 120603) (04) - UNDERCARRIAGE
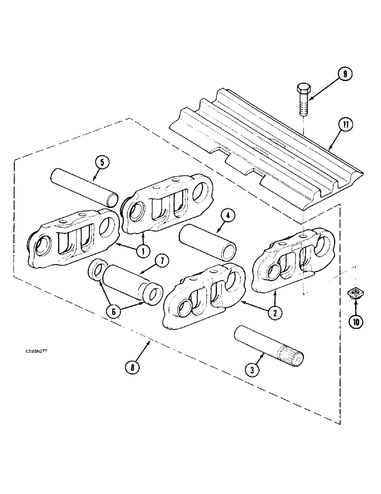
8
6
5
11
2
3
1
7
10
9
4
FIT
1:1
100%

Артикул

Название

Примечание

Количество

1

B1542358

LINK

55041 RIGHT ORDER: D2442304 (1), H2442308 (1)

44шт.

2

X1542355

LINK

55041 LEFT ORDER: H2442308 (1), D2442304 (1)

44шт.

3

C6427812

LARGE PIN

PIN, LARGE 55041 ORDER: C6527816

1шт.

4

D829383

SPACER

55041 ORDER: H2229397

43шт.

5

T3627876

PIN

55041 Order: B6527815

43шт.

6

T2229315

SPACER

55041 ORDER: K2229399

2шт.

7

C829382

SPACER

55041 ORDER: J2229398

1шт.

8

B1642339

CHAIN (CE)

55041 ORDER: Q2442315

2шт.

9

F3533058

SCREW,9/16" - 18 x 1.89", Cl 11.9

9/16 18UNFX48

352шт.

10

W2434593

NUT

9/16 18UNF

352шт.

11

W2042351

TRACK SHOE

500MM

88шт.

11

X2042352

TRACK SHOE

600MM

88шт.

11

Z2042353

TRACK SHOE

700MM

88шт.

11

D2042380

TRACK SHOE

850MM, 55045 RIGHT

44шт.

11

E2042381

TRACK SHOE

850MM, 55045 LEFT

44шт.

Выбрано товаров: 15