Запчасти Case 688BCK (5-12) - UNDERCARRIAGE - OPTIONAL, 688B CK (120301-) (04) - UNDERCARRIAGE

Схема запчастей Case 688BCK - (5-12) - UNDERCARRIAGE - OPTIONAL, 688B CK (120301-) (04) - UNDERCARRIAGE
11
4
10
12
6
14
5
3
9
7
12
16
15
2
17
1
8
18
13
11
FIT
1:1
100%

Артикул

Название

Примечание

Количество

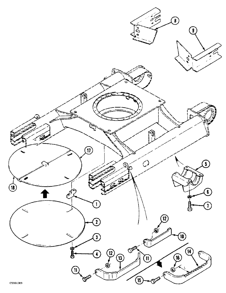
1

X5120373

BLOCK DRIVER

TAPPET

4шт.

2

E3545040

LARGE PLATE

PLATE, LARGE SHEET, 90135 688B CK (120301-120505)

1шт.

3

U3528793

WASHER

12.25 x 8 x 30

8шт.

4

V933819

BOLT,Hex, M12 x 55, 8.8, Full Thd

8шт.

5

P7428231

GUIDE

55013 SEE: N.I.T. 3274 688B CK (120301-120346)

2шт.

5

V8128219

GUIDE

55013 688B CK (120347-)

2шт.

6

E4628731

WASHER

16.5 x 6 x 30

8шт.

7

A233841

SCREW

M16 x 70 10.9

8шт.

8

R6554969

PROTECTOR

90135 RIGHT

1шт.

9

S6554969

PROTECTOR, 90135 LEFT

1шт.

10

T2326789

STEP

2шт.

11

395528

BOLT,Hex, M20 x 2.5 x 100mm, Cl 8.8

2шт.

12

Q134564

SAFETY NUT

M20

2шт.

13

J2526742

STEP

2шт.

13

J2626769

STEP

90135 SWEDEN

2шт.

14

L2626771

STEP

L=177MM

2шт.

14

M2626772

STEP

L=194MM

2шт.

14

N2626773

STEP

L=213MM

2шт.

15

395528

BOLT,Hex, M20 x 2.5 x 100mm, Cl 8.8

4шт.

16

Q134564

SAFETY NUT

M20

4шт.

17

A3545059

LARGE PLATE

PLATE, LARGE SHEET, 90135 688B CK (120506-)

1шт.

18

C3545061

LARGE PLATE

PLATE, LARGE SHEET, 90135 688B CK (120506-)

1шт.

Выбрано товаров: 22