Запчасти Case 688BCK (4-02) - ELECTRICAL ACCESSORIES - CAB, 688B CK (120301-) (06) - ELECTRICAL SYSTEMS

Схема запчастей Case 688BCK - (4-02) - ELECTRICAL ACCESSORIES - CAB, 688B CK (120301-) (06) - ELECTRICAL SYSTEMS
23
6
28
13
4
17
32
16
18
34
7
35
12
15
32
31
5
14
3
22
1
26
19
20
38
9
11
2
37
29
27
6
10
30
24
31
21
36
25
33
FIT
1:1
100%

Артикул

Название

Примечание

Количество

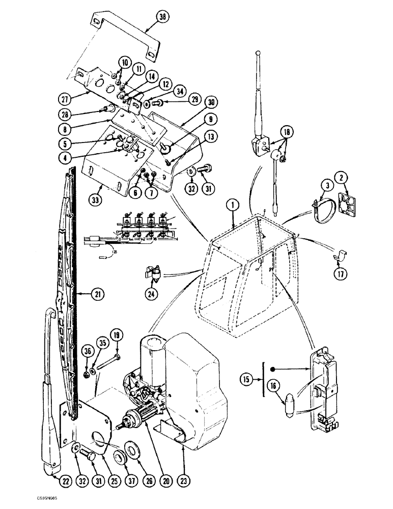
1

D2052247

HARNESS

1шт.

2

J3036928

BASE

CLIP

1шт.

3

S1436941

MOUNTING CLIP

COLLAR

1шт.

4

A41676

HOLE PLUG BUTTON,13/32"

4шт.

5

W32427

SCREW,Sl Flat Csk Hd, M4 x 80mm

M4 x 10

8шт.

6

V34703

WASHER

W 4

8шт.

7

825-1404

NUT,M4, Cl 8

12шт.

8

W4441435

RUBBER INSULATOR

1шт.

9

Q1033082

SCREW

4шт.

10

Z34108

NUT

M5

8шт.

11

Z34706

WASHER

W 5

4шт.

12

E34803

WASHER

3 DE

2шт.

13

H32506

SCREW,M3 x 12mm, Cl 3.6

2шт.

14

86508812

NUT,M3, Cl 8

2шт.

15

D4143223

COURTESY LIGHT

DOME LIGHT

1шт.

16

F1140506

LAMP

24V 10W

2шт.

17

P1436961

CLASP

THONG

3шт.

18

N4143232

ANTENNA

1шт.

19

814-5055

BOLT,Hex, M5 x 0.8 x 55mm, Cl 8.8

3шт.

20

Q2341805

WIPER MOTOR

MOTOR, WIPER

1шт.

21

Z4143265

WIPER BLADE

BLADE, WIPER

1шт.

22

X4143264

WIPER ARM

HOLDER, BRUSH

1шт.

23

R1826859

COVER

1шт.

24

N3836941

CLASP

THONG

1шт.

25

P5625606

SUPPORT

1шт.

26

A35006

WASHER

M16 N

1шт.

27

K3626327

SUPPORT

1шт.

28

V35485

RIVET

M16

2шт.

29

86508568

BOLT,Hex, M6 x 1 x 16mm, Cl 8.8

2шт.

30

J3626326

DOOR COVER

1шт.

31

120104

BOLT,Hex, M8 x 1.25 x 20mm, Cl 8.8

4шт.

32

715853R1

RING

M8 N

4шт.

33

E3226168

SUPPORT

1шт.

34

U35001

WASHER

M6 N

2шт.

35

P34605

WASHER

M5 U

3шт.

36

V834574

SAFETY NUT

M5

3шт.

37

Q741419

GROMMET

1шт.

38

A3626387

COWL

44020 WITH OPENING ROOF

1шт.

Выбрано товаров: 38