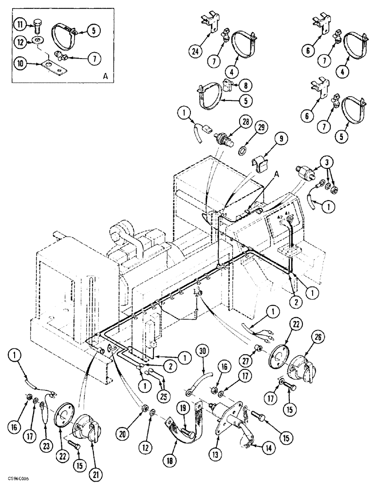
Запчасти Case 688BCK (4-14) - ELECTRICAL CIRCUIT - ENGINE MODULE, 688B CK (120301-) (06) - ELECTRICAL SYSTEMS

Схема запчастей Case 688BCK - (4-14) - ELECTRICAL CIRCUIT - ENGINE MODULE, 688B CK (120301-) (06) - ELECTRICAL SYSTEMS
18
1
1
6
15
12
7
11
21
6
13
19
30
12
10
14
15
23
7
26
4
25
22
1
1
2
27
20
5
28
9
16
17
22
17
29
1
24
1
7
16
4
7
5
5
3
17
1
15
6
2
FIT
1:1
100%

Артикул

Название

Примечание

Количество

1

N1952275

HARNESS

1шт.

2

Q1952277

CABLE

HARNESS

1шт.

3

REF

INSTRUCTION

PRESSURE SWITCH SEE FIGURE: 8A-2

1шт.

4

N51946

CLAMP

COLLAR 258MM

1шт.

5

V336923

CLAMP

COLLAR 117MM

1шт.

6

Z2036902

CLASP

THONG 3-7MM

1шт.

7

PP2036939

CLASP

THONG

1шт.

8

G3036926

BASE

1шт.

9

M1736902

CLASP

THONG

1шт.

10

Z3122847

PLATE

FLAT IRON

1шт.

11

43138

BOLT,Hex, M10 x 1.5 x 20mm, Cl 8.8

1шт.

12

W35003

WASHER

M10 N

2шт.

13

K2141263

CIRCUIT-BREAKER

1шт.

14

Q2631352

CHAIN (CE)

1шт.

15

86977786

BOLT,Hex, M6 x 1 x 25mm, Cl 8.8

8шт.

16

15896221

NUT,Hex, M6, 5.20mm High, Cl 10

5шт.

17

B3528799

WASHER

6.25 x 4 x 15

8шт.

18

N1952252

NEG BATTERY CABLE

1шт.

19

11106231

BOLT,Hex, M10 x 1.5 x 25mm, Cl 10.9

1шт.

20

100016

NUT,M10 x 1.5, Cl 8

1шт.

21

F1340721

PEDESTAL

SOCKET

1шт.

22

C7546095

GASKET

2шт.

23

X8547258

ELECTRICAL WIRE

WIRE

1шт.

24

A2036903

CLASP

THONG 8-13MM

1шт.

25

REF

INSTRUCTION

CIRCUIT SEE FIGURE: 4-20

1шт.

26

H40740

PEDESTAL

SOCKET

1шт.

27

F35425

RIVET

M6

3шт.

28

W4243221

TEMPERATURE SENDER

PROBE

1шт.

29

R7046042

GASKET

11.5 x 16.5 x 1.5

1шт.

30

REF

INSTRUCTION

BATTERY SEE FIGURE: 4-28

1шт.

Выбрано товаров: 30