Запчасти Case 688BCK (4-30) - ALTERNATOR, 688B CK (120301-120531) (06) - ELECTRICAL SYSTEMS

Схема запчастей Case 688BCK - (4-30) - ALTERNATOR, 688B CK (120301-120531) (06) - ELECTRICAL SYSTEMS
20
6
1
4
3
5
22
18
10
9
13
21
2
11
2
8
14
9
7
15
11
19
21
16
12
FIT
1:1
100%

Артикул

Название

Примечание

Количество

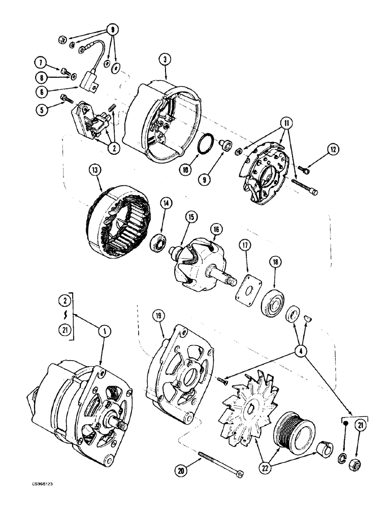
1

P941518

ALTERNATOR

1шт.

SEE: N.I.T. 3304

1шт.

2

C941530

GOVERNOR

REGULATOR

1шт.

3

N7946236

FLANGE

1шт.

4

T641533

KIT

1шт.

5

U2033034

SCREW

2шт.

6

Q2042437

CAPACITOR

1шт.

7

C32524

SCREW

M5 x 10

1шт.

8

L34740

WASHER

1шт.

9

V941524

SET OF PARTS

1шт.

10

V1630466

O-RING

1шт.

11

W941525

RECTIFIER

1шт.

12

X3333066

SCREW

3шт.

13

U941523

STATOR

1шт.

14

M639641

BEARING

1шт.

15

Z6146082

BUSHING

1шт.

16

T941522

ROTOR

1шт.

17

N1340498

DUST CAP

1шт.

18

D639702

BEARING

1шт.

19

M7946235

FLANGE

1шт.

20

Z3333067

SCREW

4шт.

21

H34116

NUT

M16

1шт.

22

REF

INSTRUCTION

SET OF PARTS, 43010 SEE IGURE: 4-16

1шт.

Выбрано товаров: 23