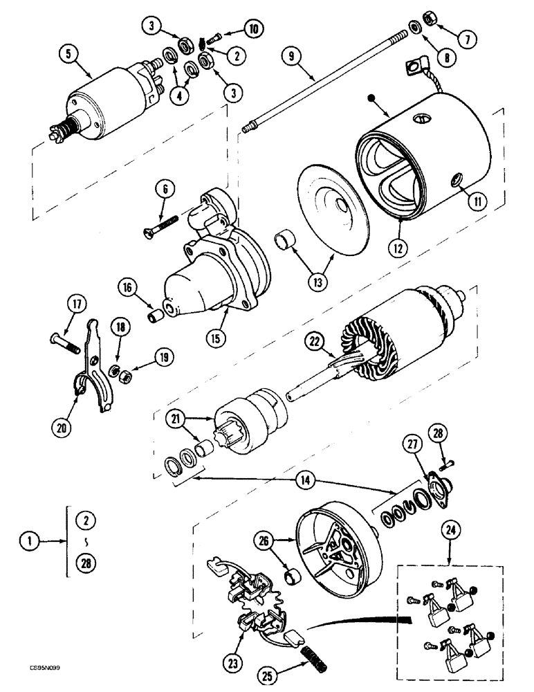
Запчасти Case 688BCK (4-32) - STARTER, 688B CK (120301-) (06) - ELECTRICAL SYSTEMS

Схема запчастей Case 688BCK - (4-32) - STARTER, 688B CK (120301-) (06) - ELECTRICAL SYSTEMS
28
10
9
4
13
27
3
18
22
21
1
16
17
2
2
3
7
19
15
12
6
14
28
6
11
26
25
5
23
24
20
FIT
1:1
100%

Артикул

Название

Примечание

Количество

1

Q941519

STARTING MOTOR

1шт.

2

F3036948

STIRRUP

1шт.

3

100016

NUT,M10 x 1.5, Cl 8

2шт.

4

E34711

WASHER

W 10

2шт.

5

D441189

RELAY

SWITCH

1шт.

6

H32437

SCREW

3шт.

7

15896221

NUT,Hex, M6, 5.20mm High, Cl 10

2шт.

8

T1846365

WASHER

2шт.

9

W2527743

STUD

2шт.

10

U32517

SCREW

M4 x 6

1шт.

11

J32438

SCREW

4шт.

12

G941511

CABLE WINDER

1шт.

13

J8230167

CYLINDER END CAP

INTERMEDIATE BEARING

1шт.

14

K7646267

SET OF PARTS

1шт.

15

C7946295

FLANGE

E

1шт.

16

Z1528602

BEARING LINER

GLAND

1шт.

17

H3533014

SCREW

1шт.

18

S634609

WASHER

2шт.

19

F2434532

NUT

3шт.

20

Z5242757

LEVER

1шт.

21

W4339361

PINION

1шт.

22

F941510

ARMATURE

1шт.

23

N1241276

BRUSH HOLDER

HOLDER, BRUSH

1шт.

24

M1241275

SET

1шт.

25

L1538158

COMPRESSION SPRING

4шт.

26

J7646266

FLANGE

1шт.

27

Q2340471

LIGHT FAIRING

COVER

1шт.

28

E3333026

SCREW

2шт.

Выбрано товаров: 28