Запчасти Case 688BCK (8B-08) - CIRCUIT - ENGINE MODULE, 688B CK (120301-) (07) - HYDRAULIC SYSTEM

Схема запчастей Case 688BCK - (8B-08) - CIRCUIT - ENGINE MODULE, 688B CK (120301-) (07) - HYDRAULIC SYSTEM
17
14
8
8
1
8
17
7
6
5
15
10a
18
2
4
3
20
12
11
10
19
8
9
19
13
10
FIT
1:1
100%

Артикул

Название

Примечание

Количество

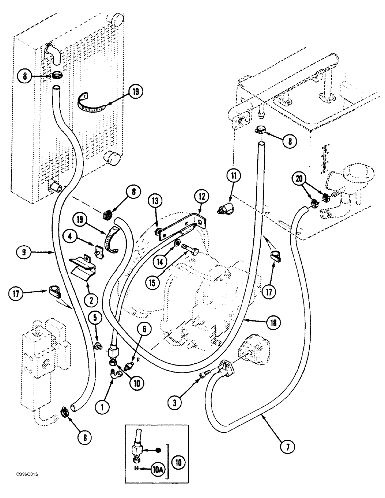
1

R1737021

ANGLE

PIECE

1шт.

2

Z2036902

CLASP

THONG 3-7MM

1шт.

3

864-6030

HEX SOC SCREW,M6 x 30mm, Cl 8.8

M6 x 25

4шт.

4

P2036939

CLASP

THONG

1шт.

5

U2537447

PLUG

M14 x 1.5MM

1шт.

R7046042

GASKET

11.5 x 16.5 x 1.5

1шт.

6

K4837507

UNION

1шт.

R7046042

GASKET

11.5 x 16.5 x 1.5

1шт.

7

M8031933

HOSE

830MM

1шт.

N330430

O-RING,0.103" Thk x 0.862" ID, -118, Cl 6, 90 Duro

2.62 x 21.89

1шт.

8

Q36998

COLLAR CLAMP

25-40MM

4шт.

9

D1103635

PIPE

82937 ORDER LENGTH: 1400MM

1шт.

10

J7931995

HOSE

676MM, 82933 688B CK (120301-120393) ORDER: Q8131917 (1)

1шт.

10

Q8131917

HOSE,25.4mm ID x 676mm L

676MM, 82933 688B CK (120394-)

1шт.

10a

H1132803

SCREW

82933 688B CK (120301-120393)

2шт.

11

A3237549

HYD CONNECTOR

TAPPING FITTING

1шт.

R7046042

GASKET

11.5 x 16.5 x 1.5

1шт.

12

M5625604

SUPPORT

FLAT IRON

1шт.

13

R4328730

WASHER

10.25 x 20 x 25

2шт.

14

N4328796

WASHER

10.25 x 7 x 20

2шт.

15

43144

BOLT,Hex, M10 x 70mm, Cl 8.8

2шт.

17

C51959

CLAMP

COLLAR 38-39MM

2шт.

18

D1103635

PIPE

82937 ORDER LENGTH: 1800MM

1шт.

19

N51946

CLAMP

COLLAR 258MM

1шт.

20

P3836919

COLLAR CLAMP

20-35MM

2шт.

Выбрано товаров: 25