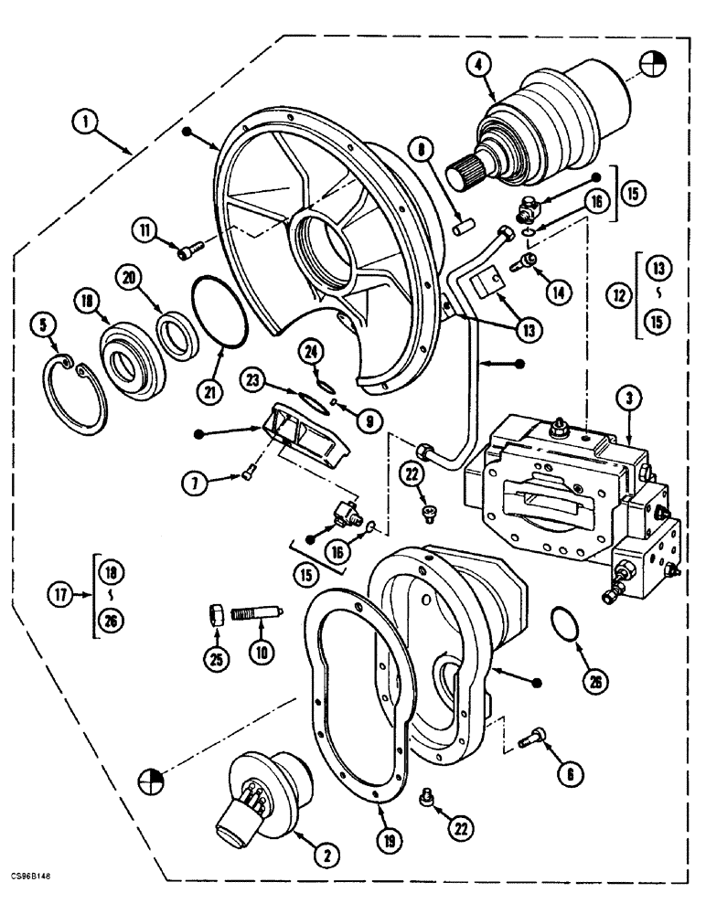
Запчасти Case 688BCK (8B-12) - HIGH PRESSURE PUMP, 688B CK (120301-) (07) - HYDRAULIC SYSTEM

Схема запчастей Case 688BCK - (8B-12) - HIGH PRESSURE PUMP, 688B CK (120301-) (07) - HYDRAULIC SYSTEM
18
19
23
6
14
22
26
13
24
3
25
17
9
10
8
2
15
16
4
1
5
12
7
18
13
16
20
21
15
22
26
15
11
FIT
1:1
100%

Артикул

Название

Примечание

Количество

1

R4743512

PUMP, HYDRAULIC

1шт.

2

E3843626

ROTOR

1шт.

3

REF

INSTRUCTION

REGULATOR, 82921 SEE FIGURE: 8B-14

1шт.

4

D3843625

ROTOR

1шт.

5

N36260

RING, SNAP

RING SNAP

1шт.

6

14420331

HEX SOC SCREW,M10 x 1.5 x 35mm, Cl 10.9, Full Thd

6шт.

7

W32910

SCREW,Hex Skt Hd, M6 x 16mm

6шт.

8

Q36055

PIN

2шт.

9

J1136024

SPLIT PIN/SAFETY PIN

1шт.

10

P0032890A

SCREW

M12 x 70 10.9

1шт.

11

J532918

SCREW,Hex Skt, M12 x 40mm, Cl 10.9

6шт.

12

D4050188

PIPE

1шт.

13

Z5120374

SHIN

FIXING BRACKET

2шт.

14

864-6030

HEX SOC SCREW,M6 x 30mm, Cl 8.8

M6X25

2шт.

15

Q4837512

FITTING

2шт.

16

J3330408

O-RING

1.5 x 17

4шт.

17

Z4043675

SET

1шт.

18

P2728986

FLANGE

BUSHING

1шт.

19

S3330439

GASKET

1шт.

20

Q9646053

GASKET

1шт.

21

Q2930490

O-RING,0.139" Thk x 4.484" ID, -246, Cl 5, 75 Duro

1шт.

22

K3337447

PLUG

2шт.

23

J2930484

O-RING,0.103" Thk x 2.05" ID, -137, Cl 5, 75 Duro

1шт.

24

N2930488

O-RING,0.103" Thk x 0.862" ID, -118, Cl 5, 75 Duro

1шт.

25

V3034501

NUT

M12

1шт.

26

Z2930452

O-RING,0.07" Thk x 3.239" ID, -42, Cl 5, 75 Duro

1шт.

Выбрано товаров: 26