Запчасти Case 688BCK (8B-14) - REGULATOR, 688B CK (120301-) (07) - HYDRAULIC SYSTEM

Схема запчастей Case 688BCK - (8B-14) - REGULATOR, 688B CK (120301-) (07) - HYDRAULIC SYSTEM
43
8
16
34
22
7
50
24
40
3
51
29
6
5
26
35
4
30
9
10
39
25
23
18
17
46
50
42
21
36
15
41
16
48
27
38
2
19
44
45
33
32
14
13
1
47
31
49
11
42
37
12
20
28
FIT
1:1
100%

Артикул

Название

Примечание

Количество

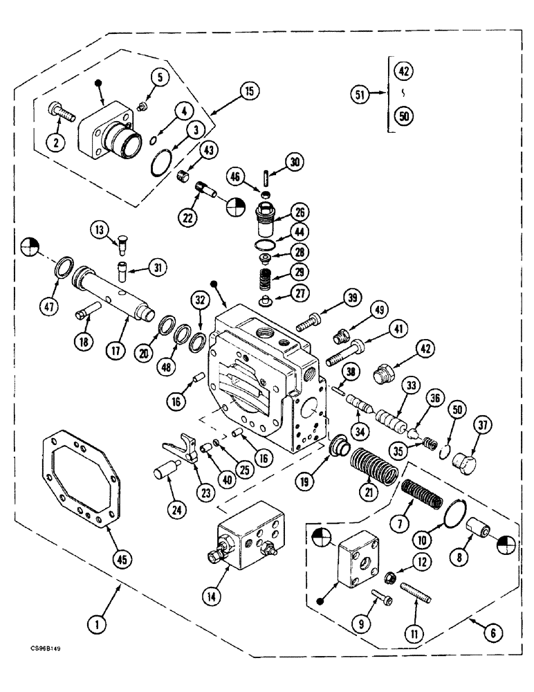
1

U5243305

SHIN

REGULATOR

1шт.

2

J532918

SCREW,Hex Skt, M12 x 40mm, Cl 10.9

4шт.

3

L2930486

O-RING

1шт.

4

W2930427

O-RING,0.07" Thk x 0.364" ID, -12, Cl 6, 90 Duro

1шт.

5

M3337449

PLUG

1шт.

6

K8646284

COVER

1шт.

7

C1038268

SPRING

1шт.

8

N1329964

STOP

1шт.

9

M32924

SCREW

M8 x 35

4шт.

10

J2930484

O-RING,0.103" Thk x 2.05" ID, -137, Cl 5, 75 Duro

1шт.

11

L832840

SCREW

M10 x 60

1шт.

12

Z2434572

NUT

M10

1шт.

13

L8646285

PISTON

1шт.

14

REF

INSTRUCTION

VALVE, PILOT SEE FIGURE: 8B-18

1шт.

15

N5240355

COVER

1шт.

16

Q36055

PIN

2шт.

17

P8646288

PISTON

1шт.

18

Q8646289

PIVOT

1шт.

19

T3628842

CUPEL

GUIDE

1шт.

20

T1245283

RING

1шт.

21

F1038271

SPRING

1шт.

22

G1136022

SCREW

1шт.

23

X5242779

LEVER

1шт.

24

H6427840

LARGE PIN

PIN, LARGE

1шт.

25

U3628843

BUSHING

DOWEL

1шт.

26

E5240347

CAP

1шт.

27

P3628861

CUPEL

1шт.

28

Q3628862

CUPEL

1шт.

29

G1038272

SPRING

SPRING

1шт.

30

C32892

SCREW

SCREW

1шт.

31

X3628846

BUSHING

DOWEL

1шт.

32

U1245284

BUSHING

BUSHING

1шт.

33

C4043678

SLEEVE

SLEEVE

1шт.

34

B4043677

SPOOL

PISTON

1шт.

35

H1038273

SPRING

SPRING

1шт.

36

Z3628847

CUPEL

GUIDE

1шт.

37

F5240348

CAP

PLUG

1шт.

38

H1136023

SPLIT PIN/SAFETY PIN

SPLIT PIN

1шт.

39

W1232958

BOLT,M8 x 45mm, Cl 10.9

1шт.

40

V945917

SLEWING RING

SLEWING RING

1шт.

41

E32940

SCREW

SCREW M12X80

7шт.

42

L3337448

PLUG

PLUG

2шт.

43

H3237487

PLUG

PLUG

1шт.

44

K2930485

O-RING,0.103" Thk x 0.862" ID, -118, Cl 6, 90 Duro

O RING

1шт.

45

T3330440

GASKET

SEAL

1шт.

46

W3034502

FLANGE NUT

NUT M6

1шт.

47

S9346066

RING

BUSHING

1шт.

48

T9346067

GASKET

SEAL

1шт.

49

D3237483

PLUG

PLUG

1шт.

50

K2930485

O-RING,0.103" Thk x 0.862" ID, -118, Cl 6, 90 Duro

O RING

1шт.

51

A4043676

SET

SET OF PARTS

1шт.

Выбрано товаров: 51