Качественные детали и логистика
Оригинальные и аналоговые запчасти с доставкой по России, Казахстану и Беларуси
©2022 PartSell ООО "Система" ИНН 2463123282 ОГРН 1212400004838
Центральный офис: г. Красноярск, Академика Киренского, д.87, пом.4
Телефон: 8 (800) 777-65-74 Email: zakaz@partsell.ru
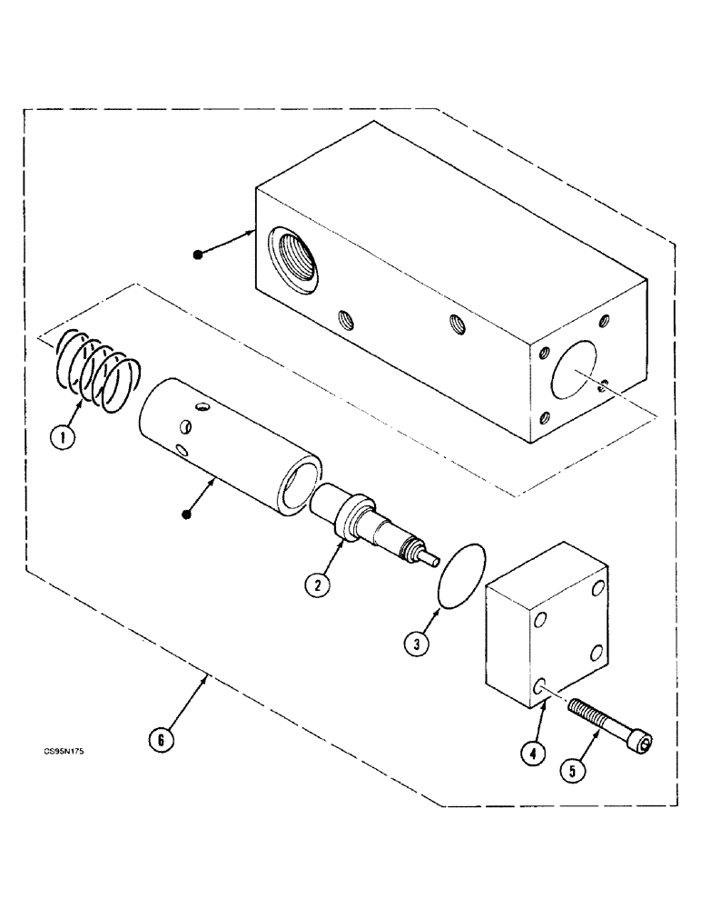
(8B-26) - THERMOSTATIC CONTROLLED VALVE, 688B CK (120301-)
№
Артикул
Название
Примечание
Количество
1
P1538184
COMPRESSION SPRING
1шт.
2
R4043369
VALVE SECTION
3
Z30405
O-RING
2.62 x 32.99
4
G4323316
COVER
5
P0732978Q
SCREW
4шт.
6
J4743321
BY-PASS VALVE
VANE
Выбрано товаров: 0