Запчасти Case 688C (8B-16) - ENGINE MODULE HYDRAULIC CIRCUIT, (11103-) (07) - HYDRAULIC SYSTEM

Схема запчастей Case 688C - (8B-16) - ENGINE MODULE HYDRAULIC CIRCUIT, (11103-) (07) - HYDRAULIC SYSTEM
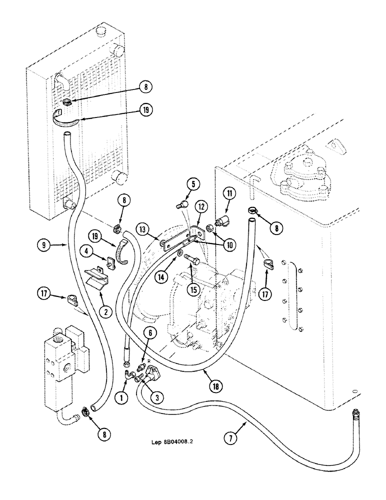
13
8
3
4
1
15
9
18
19
19
17
2
8
5
7
6
14
8
12
10
11
8
17
FIT
1:1
100%

Артикул

Название

Примечание

Количество

1

R1737021

ANGLE

PIECE

1шт.

2

Z2036902

CLASP

3-7

2шт.

2

A2036903

CLASP

8-13

1шт.

3

864-6030

HEX SOC SCREW,M6 x 30mm, Cl 8.8

M6 x 25

4шт.

4

P2036939

CLASP

3шт.

5

U2537447

PLUG

1шт.

R7046042

GASKET

"11.5 x 16.5 x 1.5"

1шт.

6

K4837507

UNION

1шт.

R7046042

GASKET

"11.5 x 16.5 x 1.5"

1шт.

7

N7631941

HOSE

830mm

1шт.

N330430

O-RING,0.103" Thk x 0.862" ID, -118, Cl 6, 90 Duro

"2.62 x 21.89-80"

1шт.

V5746063

GASKET

"23.9 x 29.2 x 1.5"

1шт.

8

Q36998

COLLAR CLAMP

25-40

4шт.

9

D1103635

PIPE

Order Length : 1400mm

1шт.

10

D7331966

HOSE

676 m

1шт.

11

A3237549

HYD CONNECTOR

UP making

1шт.

R7046042

GASKET

"11.5 x 16.5 x 1.5"

1шт.

12

M5625604

SUPPORT

PLATE

1шт.

13

R4328730

WASHER

"10.25 x 20 x 25"

2шт.

14

N4328796

WASHER

"10.25 x 7 x 20"

2шт.

15

43144

BOLT,Hex, M10 x 70mm, Cl 8.8

2шт.

17

C51959

CLAMP

COLLAR 38-39

2шт.

18

D1103635

PIPE

Order Length : 1800mm

1шт.

19

N51946

CLAMP

COLLAR 258mm

3шт.

Выбрано товаров: 0