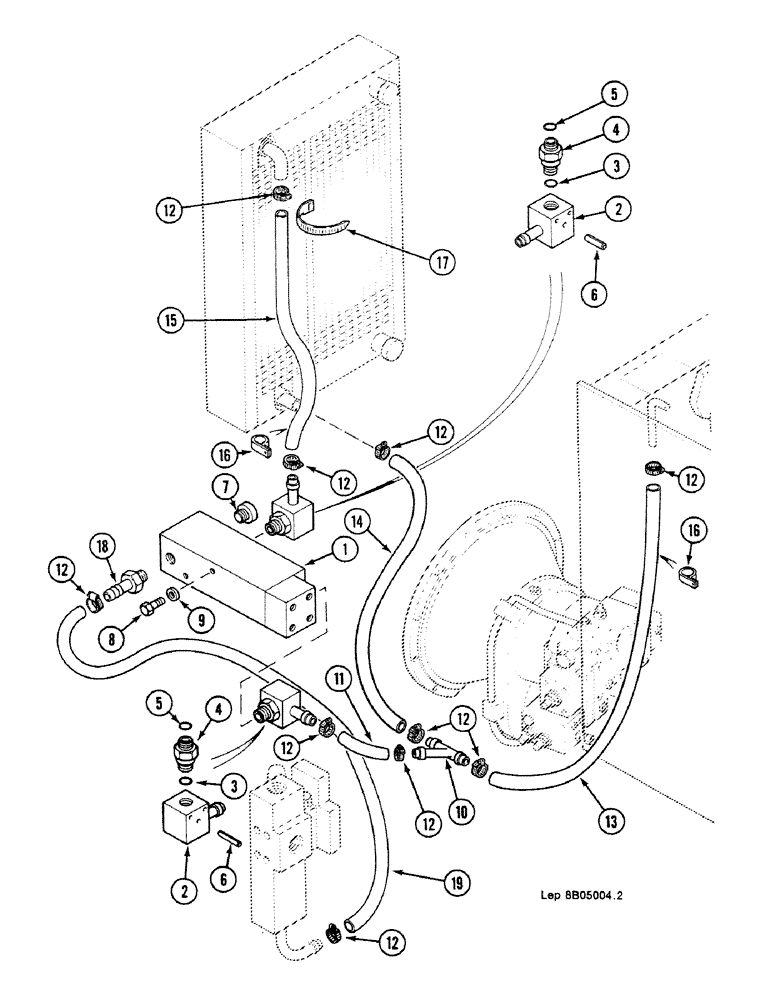
Запчасти Case 688C (8B-22) - ENGINE MODULE HYD, CIRCUIT WITH THERMOSTATIC CONTROLLED VALVE (11103-) (07) - HYDRAULIC SYSTEM

Схема запчастей Case 688C - (8B-22) - ENGINE MODULE HYD, CIRCUIT WITH THERMOSTATIC CONTROLLED VALVE (11103-) (07) - HYDRAULIC SYSTEM
19
15
1
8
12
17
2
4
14
2
12
11
6
10
13
18
3
12
12
3
12
7
5
12
12
12
16
5
4
12
16
6
9
FIT
1:1
100%

Артикул

Название

Примечание

Количество

1

BLOCK, See Figure : 8B-28

1шт.

F5137722

FITTING

Consist Of : 2-6

2шт.

2

E5137721

BODY

1шт.

3

N430411

O-RING

"2.62 x 18.72-80"

1шт.

4

G4037541

HYD CONNECTOR

PIN

1шт.

5

V5746063

GASKET

"23.9 x 29.2 x 1.5"

1шт.

6

G35725

SPLIT PIN/SAFETY PIN

2шт.

7

H2537413

PLUG

1шт.

G1145268

GASKET

"9.6 x 24.3 x 1.5"

1шт.

8

9706704

BOLT,Hex, M10 x 1.5 x 41.58mm, Cl 8.8

2шт.

9

R4328730

WASHER

"10.25 x 20 x 25"

2шт.

10

B3750197

MANIFOLD

COLLECTOR

1шт.

11

D1103635

PIPE

Order Length : 250mm

1шт.

12

Q36998

COLLAR CLAMP

25-40

10шт.

13

D1103635

PIPE

Order Length : 1250mm

1шт.

14

D1103635

PIPE

Order Length : 630mm

1шт.

15

D1103635

PIPE

Order Length : 800mm

1шт.

16

COLALR, See Figure : 8B-16

1шт.

17

N51946

CLAMP

COLLAR 258mm

1шт.

18

B4837545

FITTING

1шт.

V5746063

GASKET

"23.9 x 29.2 x 1.5"

1шт.

19

D1103635

PIPE

Order Length : 500mm

1шт.

Выбрано товаров: 22