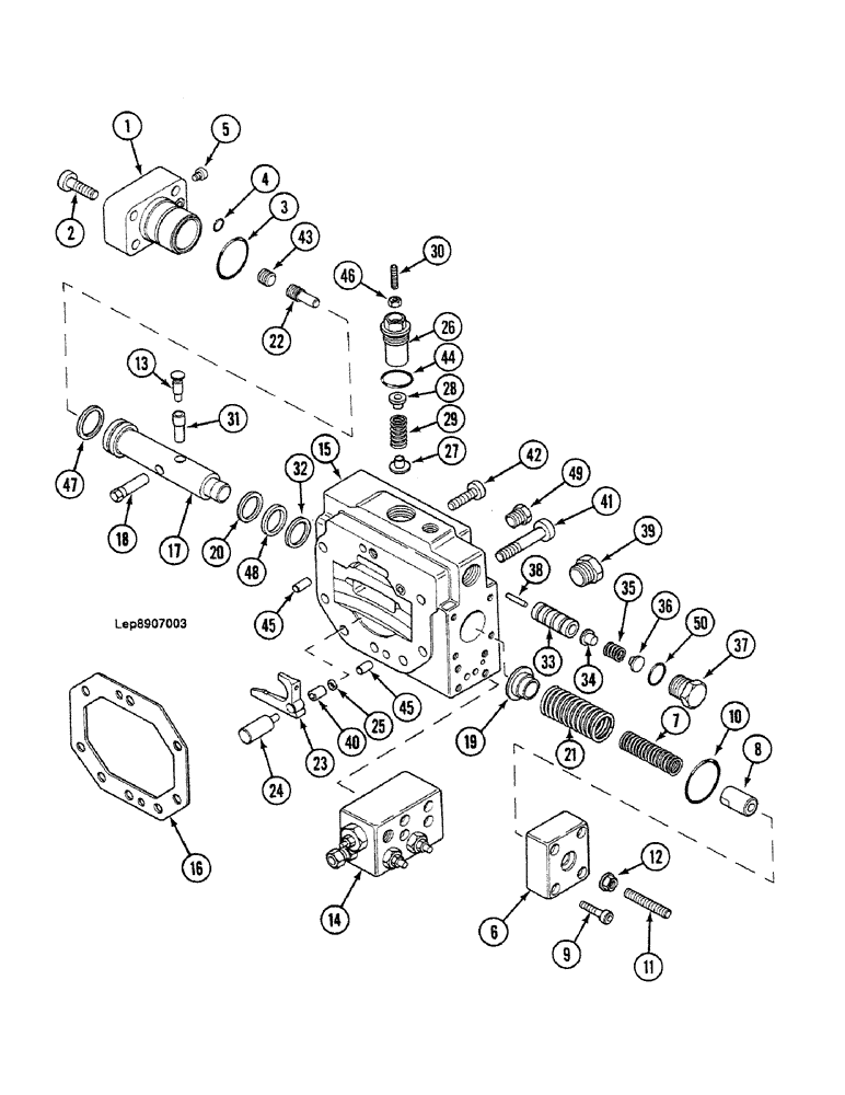
Запчасти Case 688C (8B-44) - REGULATOR (07) - HYDRAULIC SYSTEM

Схема запчастей Case 688C - (8B-44) - REGULATOR (07) - HYDRAULIC SYSTEM
15
21
18
2
37
50
29
14
28
36
47
45
32
9
35
26
24
11
19
49
3
42
5
16
7
31
25
33
13
48
34
41
40
10
6
46
39
43
27
12
44
38
22
1
17
30
23
45
4
8
20
FIT
1:1
100%

Артикул

Название

Примечание

Количество

D3843602

GOVERNOR

REGULATOR Consist Of : 1-50

1шт.

1

N5240355

COVER

PLATE Replace : Z5240342

1шт.

2

J532918

SCREW,Hex Skt, M12 x 40mm, Cl 10.9

Replace J532918

4шт.

3

L2930486

O-RING

1шт.

4

M2930487

O-RING,0.07" Thk x 0.364" ID, -12, Cl 5, 75 Duro

1шт.

5

M3337449

PLUG

1шт.

K8646284

COVER

PLATE Consist Of : 6-12

1шт.

6

PLATE cover Order : K8646284

1шт.

7

C1038268

SPRING

1шт.

8

STOP Order : K8646284

1шт.

9

M32924

SCREW

M8 x 35, Replace : R132909

4шт.

10

J2930484

O-RING,0.103" Thk x 2.05" ID, -137, Cl 5, 75 Duro

1шт.

11

B32891

BOLT

1шт.

12

Z2434572

NUT

M10

1шт.

13

L8646285

PISTON

1шт.

14

VALVE, See Page : 8B-51, 8B-53

1шт.

15

D5240346

HOUSING

1шт.

16

V9346069

GASKET

1шт.

17

P8646288

PISTON

1шт.

18

Q8646289

PIVOT

1шт.

19

T3628842

CUPEL

GUIDE

1шт.

20

T1245283

RING

1шт.

21

F1038271

SPRING

1шт.

22

G1136022

SCREW

1шт.

23

X5242779

LEVER

1шт.

24

H6427840

LARGE PIN

PIN, LARGE

1шт.

25

U3628843

BUSHING

SLEEVE

1шт.

26

E5240347

CAP

1шт.

27

P3628861

CUPEL

Replace : V3628844

1шт.

28

Q3628862

CUPEL

Replace : W3628845

1шт.

29

G1038272

SPRING

1шт.

30

C32892

SCREW

1шт.

31

X3628846

BUSHING

SLEEVE

1шт.

32

U1245284

BUSHING

1шт.

33

SLEEVE Order : D3843602

1шт.

34

PISTON Order : D3843602

1шт.

35

H1038273

SPRING

1шт.

36

Z3628847

CUPEL

GUIDE

1шт.

37

F5240348

CAP

1шт.

38

H1136023

SPLIT PIN/SAFETY PIN

1шт.

39

L3337448

PLUG

2шт.

40

V945917

SLEWING RING

1шт.

41

NLS

NO LONGER SERVICED

M12 x 80

7шт.

42

W1232958

BOLT,M8 x 45mm, Cl 10.9

Replace W1232958

1шт.

43

H3237487

PLUG

1шт.

44

K2930485

O-RING,0.103" Thk x 0.862" ID, -118, Cl 6, 90 Duro

1шт.

45

Q36055

PIN

2шт.

46

W3034502

FLANGE NUT

1шт.

47

S9346066

RING

BUSHING

1шт.

48

T9346067

GASKET

1шт.

49

D3237483

PLUG

1шт.

50

K2930485

O-RING,0.103" Thk x 0.862" ID, -118, Cl 6, 90 Duro

1шт.

Выбрано товаров: 52