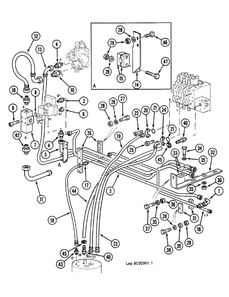
Запчасти Case 688C (8C-14) - VALVE SUPPORT HYDRAULIC CIRCUIT, (XXXXX-) (07) - HYDRAULIC SYSTEM

Схема запчастей Case 688C - (8C-14) - VALVE SUPPORT HYDRAULIC CIRCUIT, (XXXXX-) (07) - HYDRAULIC SYSTEM
28
35
35
38
47
27
4
15
29
40
37
12
34
11
42
32
45
28
8
2
22
44
10
16
4
40
19
1
21
21
5
35
43
29
3
17
6
13
33
39
23
10
26
14
18
7
9
25
31
45
29
28
28
24
20
36
36
46
FIT
1:1
100%

Артикул

Название

Примечание

Количество

1

E1737010

ANGLE

PIECE

1шт.

2

G3237532

UNION

1шт.

S2230418

GASKET

"15.7 x 20.9 x 1.5"

1шт.

3

V7249113

PIPE

1шт.

4

H3237533

UNION

2шт.

G1145268

GASKET

"9.6 x 24.3 x 1.5"

1шт.

5

U7249112

PIPE

1шт.

6

U2537447

PLUG

1шт.

R7046042

GASKET

"11.5 x 16.5 x 1.5"

1шт.

7

BLOCK, See Figure : 8C-66

1шт.

8

N1630436

O-RING,31.47mm ID x 1.78mm Width

"1.78 x 31.47-80"

1шт.

9

L1332975

SCREW

M5 x 105

4шт.

10

S4037597

UNION

2шт.

V5746063

GASKET

"23.9 x 29.2 x 1.5"

1шт.

11

J4637613

PIPE

1шт.

12

H5431963

HOSE

630mm

1шт.

13

N5431968

HOSE

1600mm

1шт.

14

J5625647

SUPPORT

1шт.

15

U5320309

SHIN

BRACKET

2шт.

16

J6449070

PIPE

1шт.

17

J3237534

UNION

1шт.

18

U7931913

HOSE

800mm, Replace : D6531934

1шт.

19

T5431973

HOSE

1000mm

1шт.

20

D4024267

SHIN

CLAMP half

4шт.

21

D330421

O-RING,0.139" Thk x 1.296" ID, -219, Cl 6, 90 Duro

"3.53 x 32.92-80"

4шт.

22

J532918

SCREW,Hex Skt, M12 x 40mm, Cl 10.9

8шт.

23

V7331913

HYDRAULIC HOSE

660mm

1шт.

24

J4024272

BRACKET

CLAMP half

4шт.

25

14420221

HEX SOC SCREW,M10 x 30mm, Cl 8.8

8шт.

26

B4820364

SHIN

BRACKET

2шт.

27

120061

BOLT,Hex, M8 x 60mm L, Cl 8.8

4шт.

28

V3528794

WASHER

"8.25 x 6 x 20"

11шт.

29

A134596

SAFETY NUT

M8

10шт.

31

T4420364

SHIN

BRACKET

2шт.

32

E5225627

SUPPORT

1шт.

33

T5320308

SHIN

BRACKET

2шт.

34

120071

BOLT,Hex, M10 x 65, 8.8

1шт.

35

W3528795

WASHER

"10.25 x 7 x 25"

2шт.

36

G34598

SAFETY NUT

M10

2шт.

37

9706704

BOLT,Hex, M10 x 1.5 x 41.58mm, Cl 8.8

1шт.

38

814-8080

BOLT,Hex, M8 x 1.25 x 80mm, Cl 8.8

1шт.

39

R4328730

WASHER

"10.25 x 20 x 25"

1шт.

40

B4837545

FITTING

2шт.

V5746063

GASKET

"23.9 x 29.2 x 1.5"

1шт.

42

J4237597

UNION

1шт.

T945294

GASKET

"29.7 x 35.7 x 2"

1шт.

43

E3237530

UNION

1шт.

R7046042

GASKET

"11.5 x 16.5 x 1.5"

1шт.

44

D1103635

PIPE

Order Length : 800mm

1шт.

45

Q36998

COLLAR CLAMP

25-40

2шт.

46

43128

BOLT,M8 x 1.25 x 30mm, Cl 8.8

2шт.

47

C133862

SCREW,M8 x 70mm

M8 x 70

2шт.

Выбрано товаров: 52