Запчасти Case 688C (8C-40) - SELECTOR BLOCK, (10745-XXXXX) (07) - HYDRAULIC SYSTEM

Схема запчастей Case 688C - (8C-40) - SELECTOR BLOCK, (10745-XXXXX) (07) - HYDRAULIC SYSTEM
32
28
26
11
4
19
17
37
13
21
33
9
1
27
18
25
35
33
30
20
16
29
7
8
24
5
10
34
12
3
14
15
22
31
6
23
36
FIT
1:1
100%

Артикул

Название

Примечание

Количество

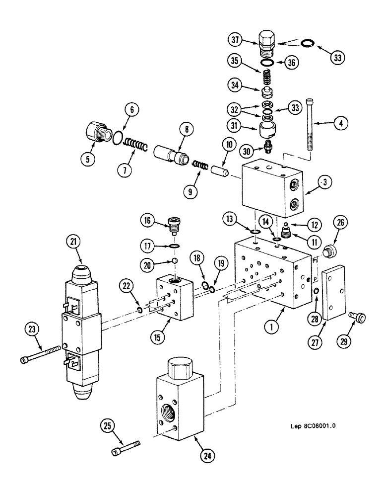
1

J3923371

BODY

1шт.

3

K4743391

SHIN

BRACKET Consist Of : 4-14

1шт.

4

Z632913

SCREW

M5 x 80

3шт.

5

R3743357

CAP

1шт.

6

G1145268

GASKET

"9.6 x 24.3 x 1.5"

1шт.

7

Q1038211

SPRING

1шт.

8

SPOOL Order : G3143393

1шт.

9

R1038212

SPRING

1шт.

10

VALVE Order : G3143393

1шт.

11

Q3743356

SEAT

1шт.

12

X31002

BALL

1шт.

13

P1130463

O-RING

"1.78 x 15.6-80", Order : J913994

2шт.

14

Z1230430

O-RING

"1.78 x 9.25-80", Order : J910824

1шт.

N2643379

BLOCK ASSY.

BRACKET Consist Of : 15-20

1шт.

15

BRACKET Order : N2643379

1шт.

16

V2537471

PLUG

1шт.

17

R7046042

GASKET

"11.5 x 16.5 x 1.5"

1шт.

18

P1130463

O-RING

"1.78 x 15.6-80", Order : J913994

1шт.

19

Z1230430

O-RING

"1.78 x 9.25-80", Order : J910824

3шт.

20

A31004

BALL

2шт.

B4743360

SELECTOR

BRACKET Version : VICKERS, Consist Of : 21, 22, 23

1шт.

G4743365

SHIN

BRACKET Version : BOSCH, Consist Of : 21, 22, 23

1шт.

21

BRACKET

1шт.

22

Z1230430

O-RING

"1.78 x 9.25-80", Order : J910824

4шт.

23

G1332902

SCREW,Hex Skt Hd, M5 x 55mm

4шт.

23

K1532936

SCREW

M5 x 75

4шт.

24

VALVE limiter, See Figure : 8C-48

1шт.

25

G1332902

SCREW,Hex Skt Hd, M5 x 55mm

4шт.

26

U2537447

PLUG

4шт.

R7046042

GASKET

"11.5 x 16.5 x 1.5"

1шт.

27

W4323353

LARGE PLATE

PLATE, LARGE

1шт.

28

P1130463

O-RING

"1.78 x 15.6-80", Order : J913994

2шт.

29

120228

HEX SOC SCREW,M8 x 20mm, Cl 8.8, Full Thd

3шт.

30

N4237509

UNION

1шт.

R7046042

GASKET

"11.5 x 16.5 x 1.5"

1шт.

T5837716

CARTRIDGE

Consist Of : 31-37

1шт.

31

BODY Order : T5837716

1шт.

32

M1145296

BACK-UP RING

Order : J9646001

2шт.

33

G30458

O-RING,0.103" Thk x 1.174" ID, -123, Cl 5, 75 Duro

"2.62 x 29.82-80"

2шт.

34

D6427836

PISTON

1шт.

35

C2838110

SPRING

1шт.

36

S1230493

O-RING,37.69mm ID x 3.53mm Width

"3.53 x 37.69-80"

1шт.

37

COVER Order : T5837716

1шт.

Выбрано товаров: 43