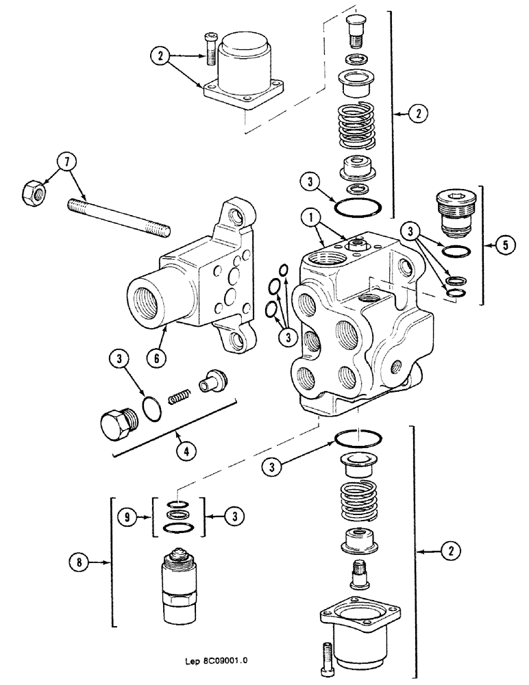
Запчасти Case 688C (8C-56) - CONTROL VALVE FOR SWING, (10630-10676, 10678-10698) (07) - HYDRAULIC SYSTEM

Схема запчастей Case 688C - (8C-56) - CONTROL VALVE FOR SWING, (10630-10676, 10678-10698) (07) - HYDRAULIC SYSTEM
2
5
2
1
3
3
4
3
3
3
8
3
7
2
6
9
FIT
1:1
100%

Артикул

Название

Примечание

Количество

Q3843636

DISTRIBUTOR

ELEMENT Consist Of : 1-5, Order : R3843614

1шт.

1

ELEMENT Order : R3843614

1шт.

2

N5949629

SPARE PART SET

1шт.

3

E5949621

SEAL PACKAGE

1шт.

4

M5949628

SET OF PARTS

VALVE

1шт.

5

P3337497

SET OF PARTS

PLUG bank-off

1шт.

6

Q3843613

ELEMENT

Order : E3843672

1шт.

7

Z2644907

TRUSS ROD

tie

1шт.

8

S3843615

CARTRIDGE

Consist Of : 9

2шт.

9

D5949620

SEAL PACKAGE

1шт.

Выбрано товаров: 10